Maxim Integrated MAX149X1EVKIT#EVAL KIT FOR MAX149
Description
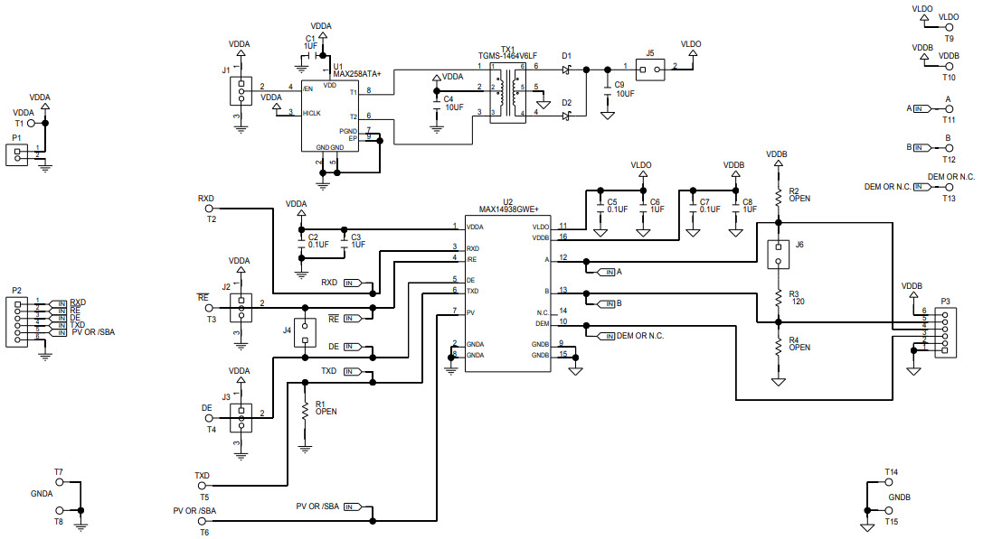
The MAX149X1EVKIT-EVKIT# is an evaluation kit for the MAX14948 2.75kVRMS isolated 20Mbps half-duplex PROFIBUS/RS-485 transceiver with ±35kV ESD protection and an industrial temperature range. This kit includes a MAX14948 evaluation board, a MAX14948-EVKIT# daughter board, and a MAX14948-EVKIT# cable. The MAX14948 transceiver is designed to provide reliable communication in harsh industrial environments, with a wide operating temperature range of -40°C to +85°C. It also features ±35kV ESD protection, which helps protect against electrostatic discharge. The MAX14948 is ideal for applications such as industrial automation, process control, and building automation.
Specifications
Maxim Integrated technical specifications, attributes, parameters and parts with similar specifications to Maxim Integrated .
- TypeParameter
- Factory Lead Time6 Weeks
- Published2012
- Part StatusActive
- Moisture Sensitivity Level (MSL)1 (Unlimited)
- TypeInterface
- Base Part NumberMAX149
- FunctionTransceiver, RS-485
- Supplied ContentsBoard(s)
- Evaluation KitYes
- REACH SVHCNo SVHC
- RoHS StatusROHS3 Compliant
0 Similar Products Remaining
Technical Documents


Product
Brand
Articles
Tools








