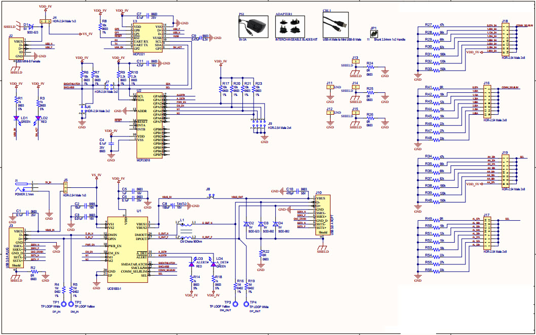
Microchip Technology ADM00668UCS1003-1 EVALUATION BOARD
The Microchip Technology ADM00668-ADM00668 Evaluation Board is a consumer electronics device designed to provide a comprehensive solution for USB power control. It is based on the UCS1003-1 USB Power Controller, which is a highly integrated, low-cost, and low-power solution for USB power control. The board features a USB Type-C connector, a USB Type-A connector, and a USB Type-C receptacle. It also includes a USB power switch, a power-on reset circuit, and a power-good indicator. The board is designed to provide a complete solution for USB power control, allowing users to easily and quickly configure and control the power supply for their USB devices. The board is also designed to be compatible with a wide range of USB devices, making it an ideal solution for consumer electronics applications.
- TypeParameter
- Factory Lead Time14 Weeks
- Published2010
- Part StatusActive
- Moisture Sensitivity Level (MSL)1 (Unlimited)
- TypePower Management
- FunctionBattery Charger
- Utilized IC / PartUCS1003-1
- Supplied ContentsBoard(s)
- Evaluation KitYes
- Primary AttributesUSB Charging Port
- RoHS StatusNon-RoHS Compliant
| Part Number | Manufacturer | Description | Stock | RFQ |
|---|---|---|---|---|
| Microchip Technology | IC, I/O EXPANDER, 16BIT, 3.4MHZ, SSOP-24 - More Details | 27 | BUY | |
| Microchip Technology | IC USB PORT POWER CTRLR 20QFN | 17175 | BUY | |
| Microchip Technology | IC USB PORT POWER CTRLR | 5000 | BUY |


Product
Brand
Articles
Tools















