Microchip Technology DM330012KIT USB STARTER FOR DSPIC33E
Description
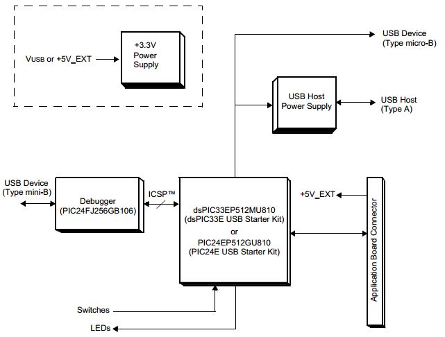
The Microchip Technology DM330012-DM330012, DM330012, dsPIC33E USB Starter Kit and PIC24E USB Starter Kit are comprehensive development kits designed to help engineers quickly and easily develop embedded applications. The kits include a range of hardware and software components, including a dsPIC33E or PIC24E microcontroller, a USB programmer/debugger, a USB cable, a power supply, and a range of development tools. The kits also include a range of sample applications and tutorials to help users get started quickly. The kits are ideal for developing applications in the automotive, industrial, medical, and consumer markets.
Specifications
Microchip Technology technical specifications, attributes, parameters and parts with similar specifications to Microchip Technology .
- TypeParameter
- Factory Lead Time14 Weeks
- Mounting TypeFixed
- SeriesdsPIC®
- Published2011
- Part StatusActive
- Moisture Sensitivity Level (MSL)1 (Unlimited)
- TypeMCU 16-Bit
- Operating Supply Voltage3.3V
- InterfaceUSB
- Number of Bits16
- Core ProcessordsPIC
- Utilized IC / PartdsPIC33EP512MU810
- Evaluation KitYes
- Core ArchitecturedsPIC
- ContentsBoard(s), Cable(s)
- Board TypeEvaluation Platform
- PlatformdsPIC33E USB Starter Kit
- REACH SVHCNo SVHC
- RoHS StatusROHS3 Compliant
- Lead FreeLead Free
0 Similar Products Remaining
Technical Documents
Associated Products
| Part Number | Manufacturer | Description | Stock | RFQ |
|---|---|---|---|---|
| Microchip Technology | LDO Regulator Pos 1.2V 1.5A 8-Pin SOIC N T/R | 1848 | RFQ | |
| Microchip Technology | IC MCU 16BIT 256KB FLASH 64QFN | 4500 | BUY | |
| Microchip Technology | IC REG LINEAR 1.8V 1.5A 8SOIC | 65 | BUY | |
| Microchip Technology | IC REG LINEAR 1.8V 1.5A 8DFN | 9900 | BUY | |
| Microchip Technology | IC REG LINEAR 0.8V 1.5A 8SOIC | 3 | BUY | |
| Microchip Technology | LDO Regulator Pos 0.8V 1.5A 8-Pin DFN EP T/R | 19 | BUY | |
| Microchip Technology | LDO Regulator Pos 1.8V 1.5A Automotive 8-Pin DFN EP T/R | 2952 | RFQ | |
| Microchip Technology | LDO Regulator Pos 2.5V 1.5A Automotive 8-Pin DFN EP T/R | 9900 | RFQ | |
| Microchip Technology | IC REG LINEAR 3.3V 1.5A 8SOIC | 30 | BUY | |
| Microchip Technology | IC REG LINEAR 3.3V 1.5A 8DFN | 566 | RFQ | |
| Microchip Technology | IC REG LINEAR 3.3V 1.5A 8SOIC | 2230 | BUY | |
| Microchip Technology | IC REG LINEAR 1.2V 1.5A 8SOIC | 79 | BUY |
Load more


Product
Brand
Articles
Tools






























