Microchip Technology EVB-LAN9252-ADD-ONEVAL ADD-ON EL9800 DEV PLATFORM
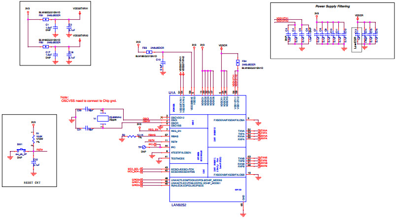
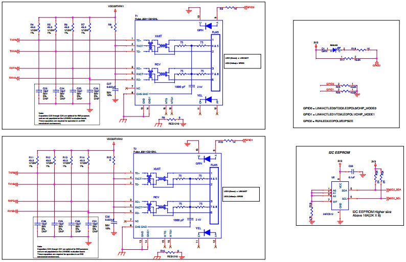
The Microchip Technology EVB-LAN9252-ADD-ON is an add-on development platform for Beckhoff EL9800 based on the LAN9252 Ethernet Controller. It is designed for industrial Ethernet applications and provides a comprehensive set of features for developing and testing industrial Ethernet applications. It includes a LAN9252 Ethernet controller, a Beckhoff EL9800 industrial Ethernet switch, and a variety of other components. The platform supports a wide range of industrial Ethernet protocols, including EtherCAT, PROFINET, and EtherNet/IP. It also provides a variety of features for debugging and testing, including a built-in logic analyzer, a real-time clock, and a variety of other tools. The platform is designed to be easy to use and provides a comprehensive set of features for developing and testing industrial Ethernet applications.
- TypeParameter
- Factory Lead Time14 Weeks
- Part StatusActive
- Moisture Sensitivity Level (MSL)1 (Unlimited)
- TypeInterface
- Base Part NumberLAN9252
- FunctionEthernet
- Utilized IC / PartLAN9252
- Supplied ContentsBoard(s)
- Evaluation KitYes
- Primary AttributesEtherCAT Slave Controller
- Secondary AttributesOn-Board LEDs
- RoHS StatusROHS3 Compliant
| Part Number | Manufacturer | Description | Stock | RFQ |
|---|---|---|---|---|
| Microchip Technology | IC REG LINEAR 3.3V 1A SOT223-3 | 468 | RFQ | |
| Microchip Technology | IC ETHERCAT CTLR 10/100 64TQFP | 15 | RFQ | |
| Microchip Technology | IC ETHERCAT CTLR 10/100 64QFN | 117 | RFQ | |
| Microchip Technology | IC ETHERCAT CTLR 10/100 64QFN | 260 | RFQ | |
| Microchip Technology | IC ETHERCAT CTLR 10/100 64QFN | 20000 | BUY | |
| Microchip Technology | IC ETHERCAT CTLR 10/100 64QFN | 3000 | RFQ | |
| Microchip Technology | Ethernet CTLR Single Chip 10Mbps/100Mbps 1.8V/2.5V/3.3V 64-Pin QFN T/R | 46 | RFQ | |
| Microchip Technology | IC ETHERCAT CTLR 10/100 64TQFP | 10000 | RFQ | |
| Microchip Technology | IC ETHERCAT CTLR 10/100 64QFN | 10000 | RFQ | |
| Microchip Technology | IC ETHERCAT CTLR 10/100 64TQFP | 46 | RFQ | |
| Microchip Technology | IC ETHERCAT CTLR 10/100 64TQFP | 2125 | RFQ |


Product
Brand
Articles
Tools





















