Microchip Technology EVB-LAN9252-DIGIOEtherCAT Slave controller Evaluation Kit with DIG-IO PDI interfaceSMSC Eval Tool
Description
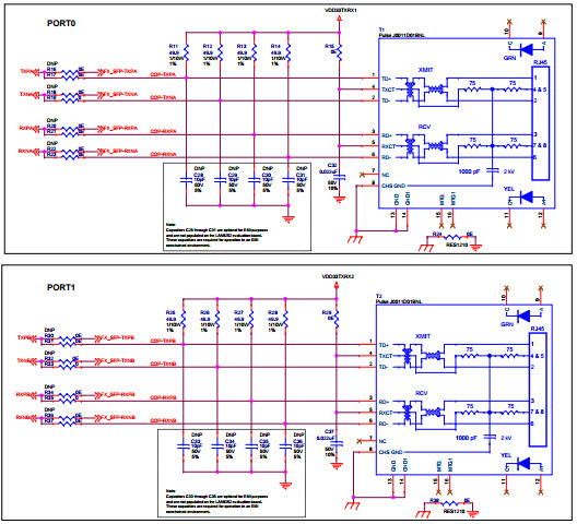
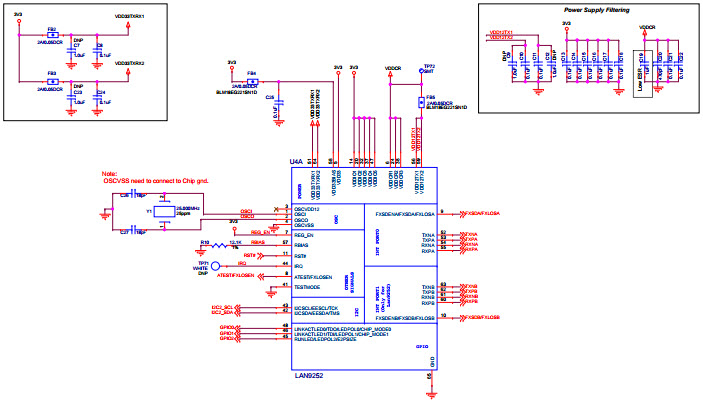
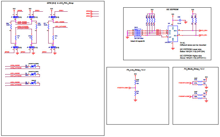
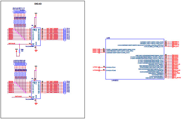
The Microchip Technology EVB-LAN9252-DIGIO is an EtherCAT Slave Controller Evaluation Kit based on the LAN9252 with DIG-IO PDI Interface. It is designed for industrial grade applications and provides a comprehensive platform for evaluating the features and performance of the LAN9252. The kit includes a board with the LAN9252, a DIG-IO PDI Interface, and a variety of connectors and cables. It also includes a comprehensive set of software tools and documentation to help users get up and running quickly. The EVB-LAN9252-DIGIO is an ideal solution for evaluating the features and performance of the LAN9252 in industrial grade applications.
Specifications
Microchip Technology technical specifications, attributes, parameters and parts with similar specifications to Microchip Technology .
- TypeParameter
- Factory Lead Time14 Weeks
- Published2012
- Part StatusActive
- Moisture Sensitivity Level (MSL)1 (Unlimited)
- TypeInterface
- Base Part NumberLAN9252
- FunctionEthernet
- Utilized IC / PartLAN9252
- Supplied ContentsBoard(s)
- Evaluation KitYes
- Primary AttributesEtherCAT Slave Controller
- Secondary AttributesOn-Board LEDs
- REACH SVHCNo SVHC
- RoHS StatusROHS3 Compliant
0 Similar Products Remaining
Technical Documents
Associated Products
| Part Number | Manufacturer | Description | Stock | RFQ |
|---|---|---|---|---|
| Texas Instruments | IC TXRX NON-INVERT 3.6V 20TSSOP | 90000 | RFQ | |
| Microchip Technology | IC ETHERCAT CTLR 10/100 64TQFP | 15 | RFQ | |
| Murata Power Solutions Inc. | DC DC CONVERTER 0.59-6V 15W | 10000 | RFQ | |
| Microchip Technology | IC ETHERCAT CTLR 10/100 64QFN | 3000 | RFQ | |
| Microchip Technology | Ethernet CTLR Single Chip 10Mbps/100Mbps 1.8V/2.5V/3.3V 64-Pin QFN T/R | 46 | RFQ | |
| Texas Instruments | IC 2.64V SUPPLY MONITOR SOT23-5 | 6 | BUY | |
| Microchip Technology | MICROCHIP - 24FC512-I/P - SERIAL EEPROM, 512KBIT, 1MHZ, DIP-8 | 240 | RFQ |


Product
Brand
Articles
Tools
































