MikroElektronika MIKROE-3399LIGHT TEMP CLICK
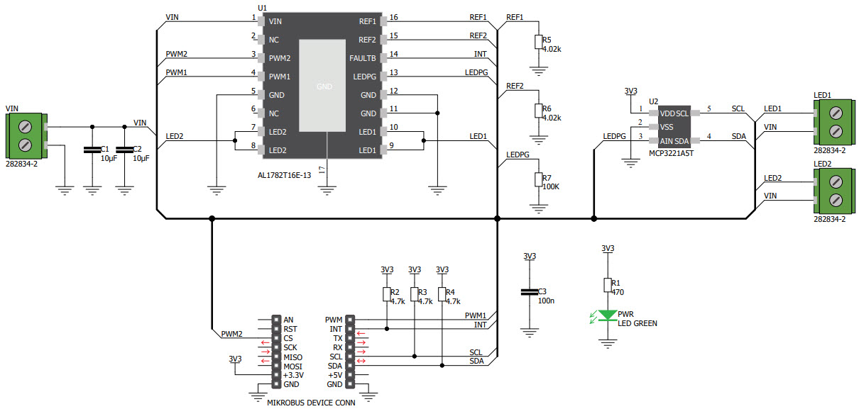
The MikroElektronika MIKROE-3399 Light Temp Click Board is a powerful and versatile solution for smart connected lighting applications. It is based on the AL1782 dual-channel LED driver, which allows for precise control of two independent LED channels. The board features a wide range of adjustable parameters, including brightness, color temperature, and dimming. It also supports a variety of communication protocols, including I2C, UART, and PWM, making it easy to integrate into existing lighting control systems. The board is also equipped with a temperature sensor, allowing for temperature-based control of the LED channels. With its robust design and wide range of features, the MikroElektronika MIKROE-3399 Light Temp Click Board is an ideal solution for tunable smart connected lighting applications.
- TypeParameter
- Part StatusActive
- Moisture Sensitivity Level (MSL)1 (Unlimited)
- TypePower Management
- FunctionLED Driver
- Utilized IC / PartAL1782
- ContentsBoard(s)
- PlatformmikroBUS™ Click™
- RoHS StatusROHS3 Compliant
| Part Number | Manufacturer | Description | Stock | RFQ |
|---|---|---|---|---|
| Microchip Technology | IC LED DRIVER LINEAR 20MA 14TMLF | 27 | RFQ |


Product
Brand
Articles
Tools















