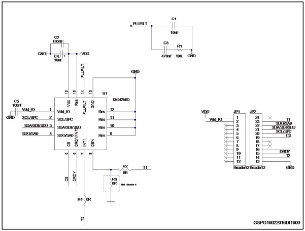
STMicroelectronics STEVAL-MKI169V1EVAL BOARD FOR I3G4250D
The STMicroelectronics STEVAL-MKI169V1, I3G4250D Adapter Board for a Standard DIL24 Socket, Industrial Sensor Evaluation Board is a versatile evaluation board designed to evaluate the performance of the STMicroelectronics I3G4250D 3-axis digital gyroscope. The board features a standard DIL24 socket, allowing for easy connection to a variety of industrial sensors. The board also includes a USB interface for easy connection to a PC, allowing for easy data logging and analysis. The board is designed to be used in a variety of industrial applications, such as robotics, navigation, and motion control. The board is also compatible with a variety of development tools, such as the STM32CubeMX software, allowing for easy integration into existing systems.
- TypeParameter
- Part StatusActive
- Moisture Sensitivity Level (MSL)1 (Unlimited)
- Voltage - Supply2.4V~3.6V
- Number of Channels3
- InterfaceI2C, SPI
- Utilized IC / PartI3G4250D
- Supplied ContentsBoard(s)
- Evaluation KitYes
- Sensor TypeGyroscope, 3 Axis
- Sensitivity8.75mdps/digit, 17.5mdps/digit, 70mdps/digit
- EmbeddedNo
- Sensing Range±250°/sec, ±500°/sec, ±2000°/sec
- REACH SVHCNo SVHC
- RoHS StatusNon-RoHS Compliant


Product
Brand
Articles
Tools








