STMicroelectronics STEVAL-MKI183V1EVAL BOARD FOR LPS33HW
Description
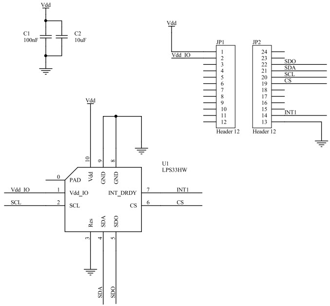
The STMicroelectronics STEVAL-MKI183V1 is an industrial pressure sensor evaluation board designed to evaluate the performance of the LPS33HW pressure sensor. It features a standard DIL24 socket and an adapter board for easy connection to the sensor. The board is equipped with a 3.3V power supply, a signal conditioning circuit, and a digital output interface. It also includes a temperature sensor and a pressure sensor, allowing for accurate and reliable measurements. The board is suitable for a wide range of industrial applications, such as pressure monitoring, altitude measurement, and fluid level detection.
Specifications
STMicroelectronics technical specifications, attributes, parameters and parts with similar specifications to STMicroelectronics .
- TypeParameter
- PackagingBulk
- Part StatusActive
- Moisture Sensitivity Level (MSL)1 (Unlimited)
- Voltage - Supply1.7V~3.6V
- InterfaceI2C, SPI
- Utilized IC / PartLPS33HW
- Supplied ContentsBoard(s)
- Sensor TypePressure
- EmbeddedNo
- Sensing Range260 ~ 1260 hPa
- RoHS StatusRoHS Compliant
0 Similar Products Remaining
Technical Documents
Associated Products
| Part Number | Manufacturer | Description | Stock | RFQ |
|---|---|---|---|---|
| Lattice Semiconductor Corporation | IC FPGA 116 I/O 328CSBGA | 5 | RFQ |


Product
Brand
Articles
Tools








