Analog Devices AD725-EBZRGB to NTSC/ PAL Encoder
Description
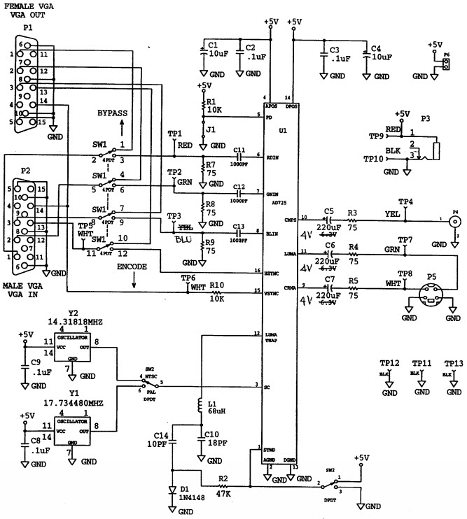
The Analog Devices AD725-EBZ Evaluation Board is a low cost solution for converting RGB signals to NTSC/PAL video signals. It is designed for use with the AD725 low cost RGB to NTSC/PAL encoder and features a luma trap port for improved picture quality. The board is ideal for applications such as video game consoles, video capture cards, and other video processing applications. It is easy to use and provides a reliable and cost-effective solution for converting RGB signals to NTSC/PAL video signals.
Specifications
Analog Devices technical specifications, attributes, parameters and parts with similar specifications to Analog Devices .
- TypeParameter
- Lifecycle StatusProduction (Last Updated: 1 month ago)
- Number of Pins0
- Manufacturer Lifecycle StatusPRODUCTION (Last Updated: 1 month ago)
- RoHSCompliant
- Operating Supply Voltage5 V
- Operating Supply Current36 mA
- Nominal Supply Current36 mA
- Evaluation KitYes
- Lead FreeContains Lead
0 Similar Products Remaining
Associated Products
| Part Number | Manufacturer | Description | Stock | RFQ |
|---|---|---|---|---|
| Analog Devices Inc. | RGB to NTSC and PAL Encoder 16-Pin SOIC W T/R | 40 | BUY | |
| Analog Devices Inc. | ANALOG DEVICES AD725ARZ IC, ENCODER RGB TO NTSC, 16SOIC | 427 | BUY | |
| Analog Devices Inc. | RGB to NTSC and PAL Encoder 16-Pin SOIC W T/R | 397 | RFQ |


Product
Brand
Articles
Tools




