Analog Devices Inc. EVAL-ADV7393EBZANALOG DEVICES EVAL-ADV7393EBZEVALUA1ION BOARD I.C.
Description
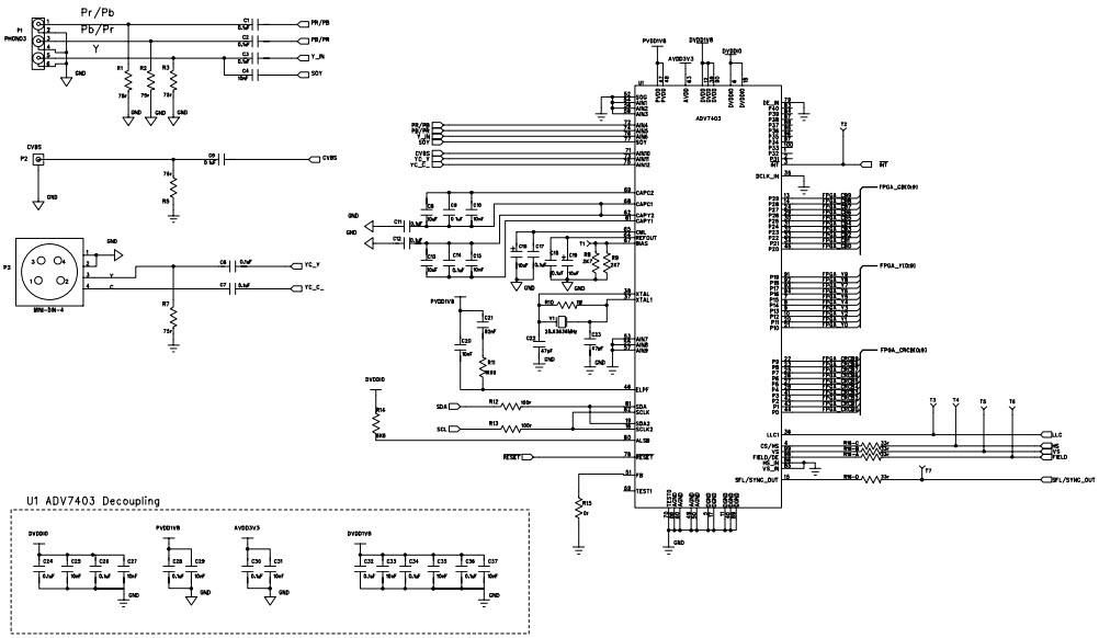
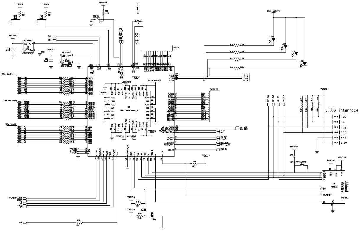
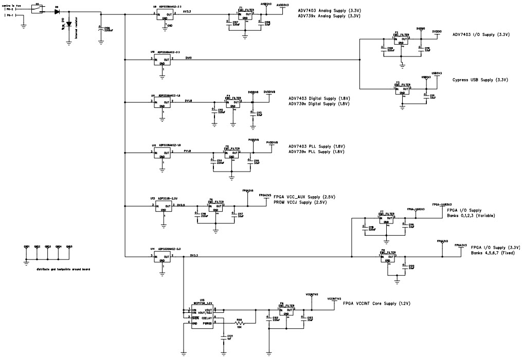
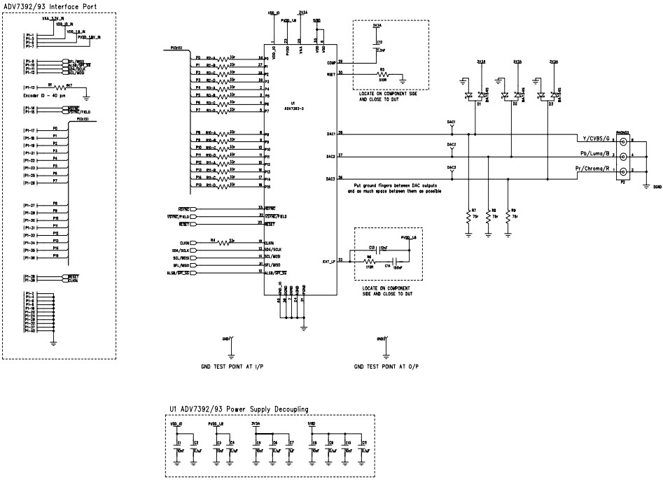
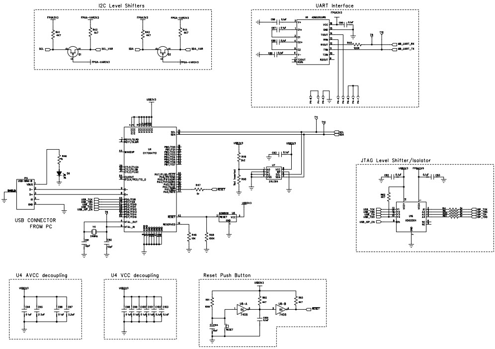
The Analog Devices EVAL-ADV7393EBZ is an evaluation board for the ADV7393 SD/HD Video Encoder, designed for automotive and transportation applications. It features a low-power, high-performance video encoder that supports both SD and HD video formats, including NTSC, PAL, and 1080p. The board also includes a variety of connectors and interfaces, such as HDMI, DVI, and composite video, as well as a variety of audio inputs and outputs. The board also includes a USB port for programming and debugging, and a JTAG port for debugging. The board is designed to be used with the Analog Devices ADSP-BF5xx Blackfin processor family, and is compatible with a variety of operating systems, including Windows, Linux, and Android.
Specifications
Analog Devices Inc. technical specifications, attributes, parameters and parts with similar specifications to Analog Devices Inc. .
- TypeParameter
- Lifecycle StatusPRODUCTION (Last Updated: 2 weeks ago)
- Factory Lead Time8 Weeks
- Number of Pins0
- PackagingBulk
- SeriesAdvantiv®
- Part StatusActive
- Moisture Sensitivity Level (MSL)1 (Unlimited)
- TypeVideo
- Base Part NumberADV7393
- FunctionVideo Encoder
- Operating Supply Voltage8V
- Utilized IC / PartADV7393
- Supplied ContentsBoard(s)
- Resolution1.25 B
- Evaluation KitYes
- REACH SVHCNo SVHC
- Radiation HardeningNo
- RoHS StatusROHS3 Compliant
- Lead FreeContains Lead
0 Similar Products Remaining
Technical Documents
Associated Products
| Part Number | Manufacturer | Description | Stock | RFQ |
|---|---|---|---|---|
| Microchip | 8K X 8 I2C/2-WIRE SERIAL EEPROM, PDSO8, 3.90 MM, ROHS COMPLIANT, PLASTIC, SOIC-8 | 0 | RFQ | |
| Microchip Technology | 24LC64 Series 64 Kb I2C 2 Wire (8K X 8) 2.5 V Serial EEPROM SMT - SOIJ-8 | 7000 | RFQ | |
| Microchip Technology | MICROCHIP - 24LC64-I/ST - EEPROM, AEC-Q100, 64 Kbit, 8K x 8 bit, Seriell I2C (2-Draht), 400 kHz, TSSOP, 8 Pin(s) | 600 | RFQ | |
| Analog Devices Inc. | ANALOG DEVICES ADM809TARTZ-REEL7Supervisor, Active-Low Reset, 1.2V-5.5Vin, SOT-23-3 | 86 | RFQ | |
| Analog Devices Inc. | IC SUPERVISOR MPU 3.08V SC-70-3 | 1011 | BUY | |
| Microchip Technology | EEPROM Serial-I2C 64K-bit 8K x 8 3.3V/5V Automotive 8-Pin MSOP Tube | 12 | BUY | |
| Analog Devices Inc. | IC SUPERVISOR MPU 4.0V SOT23 | 600000 | RFQ | |
| Analog Devices Inc. | IC SUPERVISOR MPU 2.63V SC-70-3 | 368 | BUY | |
| Analog Devices Inc. | ANALOG DEVICES - ADG3304BRUZ - Voltage Level Translator, 4 Input, 6 ns, 1.15 V to 5.5 V, TSSOP-14 | 0 | RFQ | |
| Analog Devices Inc. | IC TXRX DUAL RS232 3.3V 16SOIC | 52 | RFQ | |
| Analog Devices Inc. | IC TRNSLTR BIDIRECTIONAL 14TSSOP | 9723 | BUY |
Load more


Product
Brand
Articles
Tools





































