Analog Devices Inc. EVAL-ADV7391EBZANALOG DEVICES EVAL-ADV7391EBZADV7391EBZ EVALUATION MODULE
Description
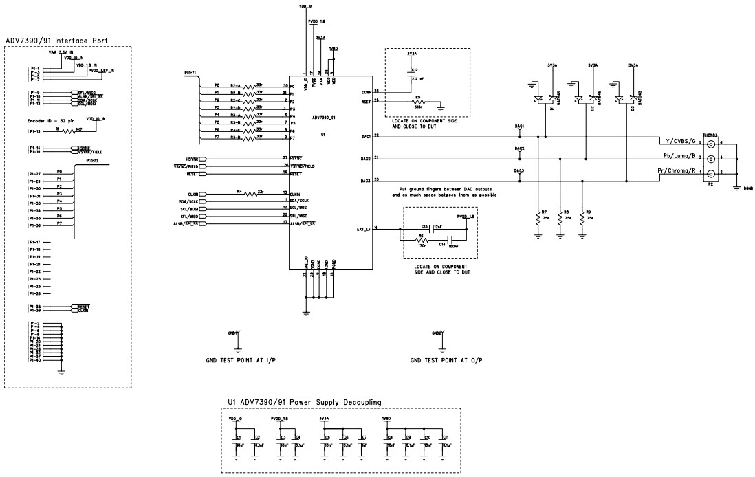
The Analog Devices EVAL-ADV7391EBZ is an evaluation board for the ADV7391 SD/HD Video Encoder, designed for automotive and transportation applications. It features a wide range of video input formats, including NTSC, PAL, and SECAM, as well as a variety of digital output formats, including YCbCr 4:2:2, RGB 4:4:4, and YCbCr 4:4:4. The board also includes a variety of features, such as an on-board power supply, a USB interface, and a variety of test points for easy debugging. The board is designed to be used with the ADV7391 Video Encoder, and is ideal for automotive and transportation applications.
Specifications
Analog Devices Inc. technical specifications, attributes, parameters and parts with similar specifications to Analog Devices Inc. .
- TypeParameter
- Lifecycle StatusPRODUCTION (Last Updated: 1 week ago)
- Factory Lead Time8 Weeks
- Package / CaseModule
- Number of Pins0
- PackagingBulk
- SeriesAdvantiv®
- Part StatusActive
- Moisture Sensitivity Level (MSL)1 (Unlimited)
- TypeVideo
- Base Part NumberADV7391
- FunctionVideo Encoder
- Operating Supply Voltage8V
- Utilized IC / PartADV7391
- Supplied ContentsBoard(s)
- Resolution1.25 B
- Evaluation KitYes
- REACH SVHCNo SVHC
- Radiation HardeningNo
- RoHS StatusROHS3 Compliant
- Lead FreeContains Lead
0 Similar Products Remaining
Technical Documents
Associated Products
| Part Number | Manufacturer | Description | Stock | RFQ |
|---|---|---|---|---|
| Microchip Technology | IC EEPROM 64KBIT 400KHZ 8TSSOP | 28172 | BUY | |
| Microchip Technology | IC EEPROM 64K I2C 400KHZ 8DIP | 20000 | BUY | |
| Microchip Technology | 24LC64 Series 64 Kb I2C 2 Wire (8K X 8) 2.5 V Serial EEPROM SMT - SOIJ-8 | 7000 | RFQ | |
| Microchip Technology | EEPROM 8kx8 - 2.5V | 7500 | BUY | |
| Analog Devices Inc. | IC TRNSLTR BIDIRECTIONAL 12WLCSP | 3000 | BUY | |
| Analog Devices Inc. | IC TRNSLTR BIDIRECTIONAL 20LFCSP | 50 | BUY | |
| Microchip Technology | IC REG LINEAR 1.2V 1A 8SOIC | 39 | BUY | |
| Analog Devices Inc. | IC SUPERVSR PUSHPULL 3.08V SOT23 | 1700 | RFQ | |
| Microchip Technology | IC EEPROM 64KBIT 400KHZ 8SOIC | 22349 | RFQ | |
| Analog Devices Inc. | Level Translator 20-Pin LFCSP EP T/R | 7 | BUY |


Product
Brand
Articles
Tools




















