Analog Devices AD8555AR-EVAL
Description
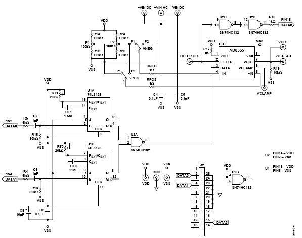
The Analog Devices AD8555AR-EVAL is a ±2.5V instrumentation amplifier designed for automotive and transportation applications. It is ideal for use with automotive sensors, providing high accuracy and low noise performance. The amplifier features a wide common-mode input voltage range of -2.5V to +2.5V, and a low offset voltage of 0.5mV. It also has a high common-mode rejection ratio of 80dB, and a high gain bandwidth of 1MHz. The AD8555AR-EVAL is designed to operate over a wide temperature range of -40°C to +125°C, making it suitable for use in harsh automotive environments. It is also RoHS compliant, making it an ideal choice for automotive and transportation applications.


Product
Brand
Articles
Tools






