Linear Technology/Analog Devices DC1070ACONTACT FACTORY - DEMOBOARD FOR
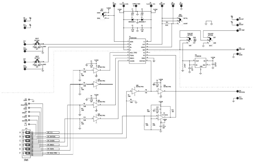
The Analog Devices DC1070A-A Demonstration Circuit is a versatile instrumentation and measurement platform featuring the LTC6915 programmable gain instrumentation amplifier. This circuit provides a wide range of gain settings from 0.5 to 128, allowing for precise signal conditioning and amplification of low-level signals. The DC1070A-A also features a low-noise, low-distortion output stage, making it ideal for applications such as data acquisition, medical instrumentation, and industrial process control. The circuit also includes a wide range of protection features, including over-voltage, over-current, and reverse-polarity protection, making it suitable for use in a variety of environments. The DC1070A-A is a great choice for any application requiring precise signal conditioning and amplification.
- TypeParameter
- Factory Lead Time12 Weeks
- Part StatusObsolete
- Moisture Sensitivity Level (MSL)1 (Unlimited)
- Output TypeRail-to-Rail
- Slew Rate0.2V/μs
- Amplifier TypeInstrumentation
- Voltage - Supply, Single/Dual (±)2.7V~11V ±1.35V~5.5V
- Utilized IC / PartLTC6915
- Supplied ContentsBoard(s)
- Board TypeFully Populated
- Channels per IC1 - Single
- Current - Supply (Main IC)1.73mA
- RoHS StatusROHS3 Compliant
| Part Number | Manufacturer | Description | Stock | RFQ |
|---|---|---|---|---|
| NKK Switches | SWITCH SLIDE SPDT 100MA 30V | 34 | BUY | |
| Analog Devices / Linear Technology | 0 | RFQ | ||
| Analog Devices, Inc. | 0 | RFQ | ||
| Analog Devices, Inc. | 0 | RFQ | ||
| Analog Devices, Inc. | 0 | RFQ | ||
| NKK Switches | SWITCH SLIDE SPDT 100MA 30V | 34 | BUY |


Product
Brand
Articles
Tools














