Analog Devices Inc. AD8251-EVALZANALOG DEVICES AD8251-EVALZPROGRAMMABLE GAIN AMP-EVAL
Description
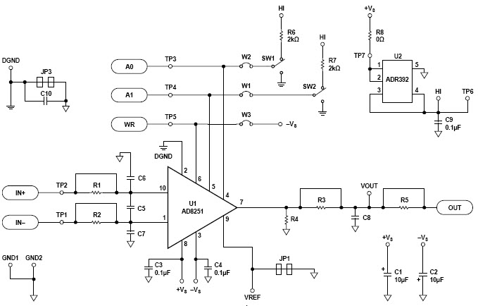
The Analog Devices AD8251-EVALZ is a high-performance instrumentation amplifier designed for use in data acquisition systems, instrumentation, and measurement applications. It features a wide bandwidth of up to 1 MHz, low noise, and high common-mode rejection ratio (CMRR) of up to 80 dB. The AD8251-EVALZ also offers excellent temperature stability and low offset voltage, making it ideal for precision measurements. It is capable of amplifying signals from DC to 1 MHz, and can be used in a variety of applications such as strain gauges, thermocouples, and pressure sensors. The AD8251-EVALZ is a versatile and reliable instrumentation amplifier that is suitable for a wide range of applications.
Specifications
Analog Devices Inc. technical specifications, attributes, parameters and parts with similar specifications to Analog Devices Inc. .
- TypeParameter
- Lifecycle StatusPRODUCTION (Last Updated: 1 month ago)
- Factory Lead Time8 Weeks
- Package / CaseMSOP
- Number of Pins0
- PackagingBox
- SeriesiCMOS®
- Part StatusActive
- Moisture Sensitivity Level (MSL)1 (Unlimited)
- Max Operating Temperature85°C
- Min Operating Temperature-40°C
- Base Part NumberAD8251
- Output TypeSingle-Ended
- Operating Supply Voltage34V
- Operating Supply Current4.5mA
- Nominal Supply Current4.5mA
- Slew Rate20V/μs
- Amplifier TypeInstrumentation
- Common Mode Rejection Ratio98 dB
- Voltage - Supply, Single/Dual (±)5V~15V
- Utilized IC / PartAD8251
- Supplied ContentsBoard(s)
- Input Offset Voltage (Vos)200μV
- Evaluation KitYes
- -3db Bandwidth10MHz
- Board TypeFully Populated
- Channels per IC1 - Single
- Current - Supply (Main IC)4.1mA
- REACH SVHCNo SVHC
- RoHS StatusROHS3 Compliant
- Lead FreeContains Lead
0 Similar Products Remaining
Technical Documents
Associated Products
| Part Number | Manufacturer | Description | Stock | RFQ |
|---|---|---|---|---|
| Toshiba Semiconductor and Storage | IC OPAMP ISOLATION 1 CIRC 8DIP | 1 | BUY | |
| Toshiba | Optocoupler Logic-Out Totem-Pole DC-IN 1-CH 8-Pin PDIP | 0 | RFQ | |
| Toshiba Semiconductor and Storage | OPTOISOLATOR 3.75KV TRANS SO16 | 800 | RFQ | |
| Toshiba Semiconductor and Storage | OPTOISOLATOR 3.75KV TRANS SO16 | 1923 | BUY | |
| Toshiba Semiconductor and Storage | OPTOISO 3.75KV OPEN COLL SO6-5 | 29 | RFQ | |
| Toshiba Semiconductor and Storage | OPTOISO 2.5KV 2CH PUSH PULL 8SO | 650 | RFQ | |
| Toshiba Semiconductor and Storage | IC OPAMP ISOLATION 1 CIRC 8DIP | 40000 | BUY | |
| Toshiba Semiconductor and Storage | Isolation Amplifier Single 5000Vrms 230kHz 5V 8-Pin SOIC T/R | 8 | RFQ | |
| Toshiba Semiconductor and Storage | IC OPAMP ISOLATION 1 CIRC 8DIP | 32000 | BUY | |
| Toshiba Semiconductor and Storage | X36 PB-F PHOTOCOUPLER SO6 ROHS B | 1246 | BUY |


Product
Brand
Articles
Tools













