Analog Devices Inc. AD8231-EVALZBOARD EVAL FOR AD8231
Description
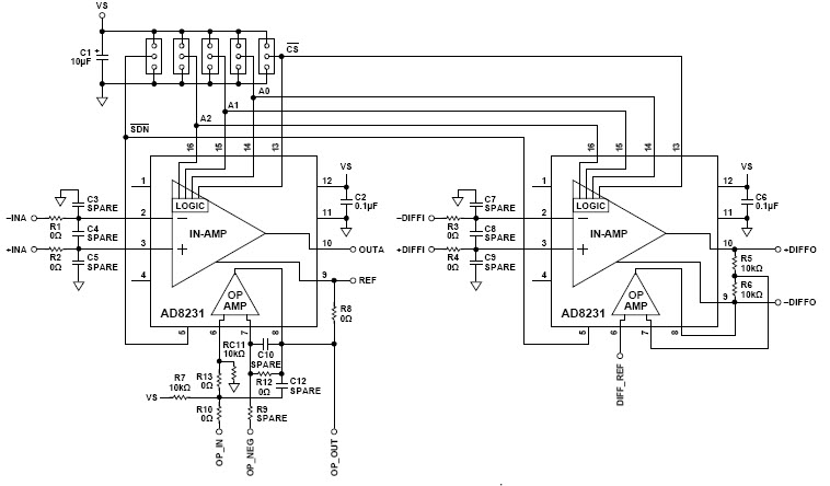
The Analog Devices AD8231-EVALZ is a 5V instrumentation amplifier designed for instrumentation, automotive, and transportation applications. It features a low noise, low power, and high accuracy design, making it ideal for a variety of applications. The amplifier has a wide common-mode input voltage range of -2.5V to +2.5V, and a gain range of 1 to 1000. It also features a low offset voltage of 0.5mV, and a low input bias current of 0.5nA. The AD8231-EVALZ is designed to operate over a wide temperature range of -40°C to +125°C, making it suitable for use in harsh environments. It is also RoHS compliant, making it an environmentally friendly choice.
Specifications
Analog Devices Inc. technical specifications, attributes, parameters and parts with similar specifications to Analog Devices Inc. .
- TypeParameter
- Lifecycle StatusPRODUCTION (Last Updated: 1 week ago)
- Factory Lead Time8 Weeks
- Package / CaseModule
- Number of Pins0
- Part StatusActive
- Moisture Sensitivity Level (MSL)1 (Unlimited)
- Max Operating Temperature125°C
- Min Operating Temperature-40°C
- Base Part NumberAD8231
- Output TypeSingle-Ended
- Operating Supply Voltage6V
- Operating Supply Current5mA
- Nominal Supply Current5mA
- Slew Rate1.1V/μs
- Amplifier TypeInstrumentation
- Common Mode Rejection Ratio100 dB
- Voltage - Supply, Single/Dual (±)3V~6V ±1.5V~3V
- Output Current per Channel70mA
- Utilized IC / PartAD8231
- Supplied ContentsBoard(s)
- Input Offset Voltage (Vos)15μV
- Evaluation KitYes
- Board TypeFully Populated
- Channels per IC2 - Dual
- Current - Supply (Main IC)4mA
- REACH SVHCNo SVHC
- RoHS StatusROHS3 Compliant
- Lead FreeContains Lead
0 Similar Products Remaining


Product
Brand
Articles
Tools















