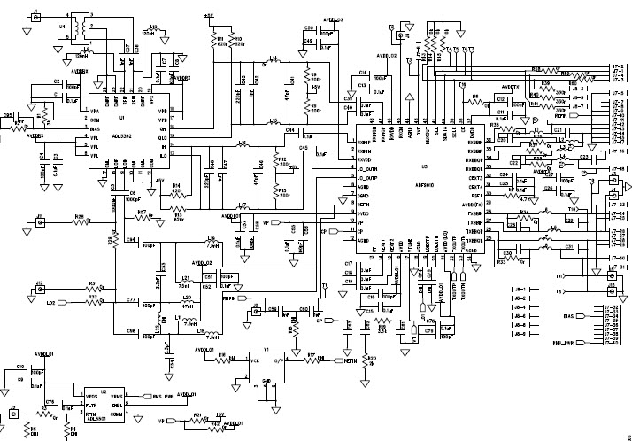
Analog Devices EVAL-ADF9010EBZ1The ADF9010 is a fully integrated RF Tx modulator and Rx analog baseband front end that operates in the frequency range from 840 MHz to 960 MHz. The
The Analog Devices EVAL-ADF9010EBZ1 Evaluation Board is designed for use with the ADF9010 RF Front End, which is a highly integrated, low-power, single-chip transceiver for Industrial, Scientific, and Medical (ISM) Band applications. This evaluation board provides a platform for evaluating the performance of the ADF9010 in a variety of applications, including wireless sensor networks, medical telemetry, and industrial automation. The board includes a variety of features, such as a USB interface, a power supply, and a variety of test points for measuring the performance of the ADF9010. The board also includes a variety of software tools for configuring and testing the ADF9010. The EVAL-ADF9010EBZ1 Evaluation Board is an ideal platform for evaluating the performance of the ADF9010 in a variety of ISM Band applications.


Product
Brand
Articles
Tools






