Analog Devices, Inc. AD9273-50EBZ
Description
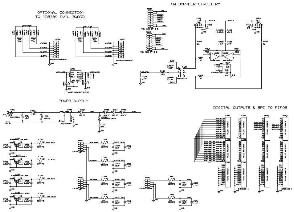
The Analog Devices AD9273-50EBZ Evaluation Board is designed to evaluate the performance of the AD9273, a low-power, high-performance, 12-bit, 50 MSPS analog-to-digital converter (ADC) for ultrasound systems, medical and healthcare applications. The board features a wide range of features, including a low-noise power supply, a high-speed clock generator, and a wide range of input and output connectors. The board also includes a comprehensive set of software tools to help users evaluate the performance of the AD9273. The board is designed to provide a complete evaluation platform for the AD9273, allowing users to quickly and easily evaluate the performance of the device in their applications.
Specifications
Analog Devices, Inc. technical specifications, attributes, parameters and parts with similar specifications to Analog Devices, Inc. .
- TypeParameter
- Number of Pins100
- Nominal Supply Current373mA
- Resolution1.5 B
- Capacitance - Input22pF
- RoHS StatusRoHS Compliant
- Lead FreeContains Lead
0 Similar Products Remaining
Technical Documents
Associated Products
| Part Number | Manufacturer | Description | Stock | RFQ |
|---|---|---|---|---|
| Murata Electronics | MURATA - BNX016-01 - Power Line Filter, 25 V, EMI, RFI, 15 A, Through Hole | 3391 | RFQ | |
| Analog Devices Inc. | AFE General Purpose 8ADC 12bit 1.8V/3V 100-Pin TQFP EP Tray | 21500 | BUY | |
| Analog Devices Inc. | ANALOG DEVICES - AD812ARZ - Amplificateur vidéo, 2 Amplificateur(s), 65 MHz, 1600 V/µs, -40 °C, 85 °C, 50 mA | 19 | RFQ | |
| Analog Devices Inc. | ANALOG DEVICES - AD9515BCPZ - Clock Distribution, 1.6 GHz, 3.135V-3.465V supply, 2 Outputs, LFCSP-32 | 7 | BUY |


Product
Brand
Articles
Tools

















