Analog Devices, Inc. AD9276-80KITZ
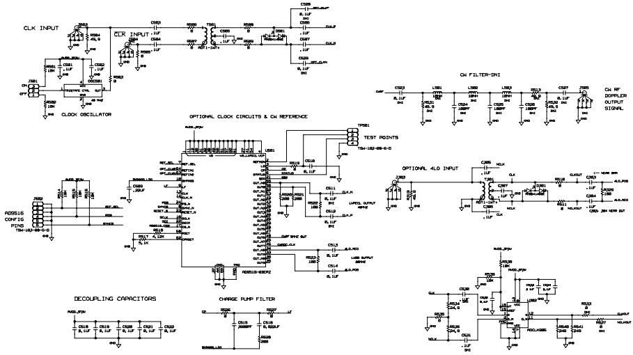
The Analog Devices AD9276-80KITZ Evaluation Board is designed to evaluate the performance of the AD9276 Octal LNA/VGA/AAF, 12-Bit ADC, CW I/Q Demodulator for medical and healthcare applications. This evaluation board features a wide range of features, including a wide input frequency range of DC to 6 GHz, a low noise figure of 1.5 dB, and a high dynamic range of up to 80 dB. The board also includes a wide range of input and output connectors, allowing for easy connection to external test equipment. The board is designed to be used with the AD9276 evaluation software, which provides a graphical user interface for configuring and testing the device. The AD9276-80KITZ Evaluation Board is an ideal solution for evaluating the performance of the AD9276 for medical and healthcare applications.
- TypeParameter
- Number of Pins100
- PackagingBulk
- Max Operating Temperature85°C
- Min Operating Temperature-40°C
- Operating Supply Voltage3.3V
- InterfaceSPI, Serial
- Power Dissipation1.78W
- Number of Bits12
- Resolution1.5 B
- Sampling Rate80 Msps
- Evaluation KitYes
- Radiation HardeningNo
- RoHS StatusRoHS Compliant
- Lead FreeContains Lead
| Part Number | Manufacturer | Description | Stock | RFQ |
|---|---|---|---|---|
| Murata Electronics | MURATA - BNX016-01 - Power Line Filter, 25 V, EMI, RFI, 15 A, Through Hole | 3391 | RFQ | |
| Analog Devices Inc. | ANALOG DEVICES - AD8021ARZ - Operational Amplifier, Single, 1 Amplifier, 200 MHz, 120 V/µs, ± 2.25V to ± 12V, SOIC, 8 Pins | 15 | RFQ | |
| Analog Devices Inc. | ANALOG DEVICES - AD7982BRMZ - ANALOG TO DIGITAL CONVERTER ADC, 18 BIT, 1MSPS, MSOP-10 | 38 | RFQ | |
| Analog Devices Inc. | IC REG LINEAR POS ADJ 1A 8SOIC | 7045 | BUY | |
| Analog Devices Inc. | V REF, 6.1-18V, 4.096V, 0.12%, 8SOIC | 116 | BUY | |
| Analog Devices Inc. | IC AMP DIFF ADC DR 16BIT 16LFCSP | 54 | RFQ | |
| Analog Devices Inc. | ANALOG DEVICES - ADA4841-2YRZ - Operational Amplifier, Dual, 2 Amplifier, 80 MHz, 13 V/µs, 2.7V to 12V, SOIC, 8 Pins | 770 | RFQ | |
| Analog Devices Inc. | Clock Buffer 2-OUT 16-Pin LFCSP EP T/R | 1508 | RFQ | |
| Analog Devices Inc. | IC CLK BUFFER 1:1 7.5GHZ 16LFCSP | 881 | BUY | |
| Analog Devices Inc. | IC CLK BUFFER 1:1 7.5GHZ 16LFCSP | 2789 | BUY |


Product
Brand
Articles
Tools





















