Analog Devices, Inc. AD9445BB-LVDS/PCBZ
Description
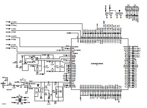
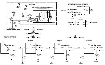
The Analog Devices AD9445BB-LVDS/PCBZ Evaluation Board is designed to evaluate the performance of the AD9445BSVZ-125.14-Bit, 125 MSPS, IF Sampling ADC. This board is ideal for automotive and transportation applications, as it features a low-voltage differential signaling (LVDS) interface and a wide input frequency range of up to 125 MHz. The board also includes a power supply, a reference voltage, and a clock generator, allowing for easy evaluation of the ADC's performance. The board is designed to be used with a variety of evaluation software, making it easy to evaluate the ADC's performance in a variety of applications.
Specifications
Analog Devices, Inc. technical specifications, attributes, parameters and parts with similar specifications to Analog Devices, Inc. .
- TypeParameter
- EU RoHSCompliant
- ECCN (US)EAR99
- AutomotiveNo
- PPAPNo
- Part StatusUnconfirmed
0 Similar Products Remaining
Associated Products
| Part Number | Manufacturer | Description | Stock | RFQ |
|---|---|---|---|---|
| Analog Devices Inc. | IC ADC 14BIT PIPELINED 100TQFP | 2896 | BUY | |
| Texas Instruments | IC DIFF LINE RECEIVER 64-TSSOP | 3 | BUY | |
| Texas Instruments | IC DIFF LINE RECEIVER 64-TSSOP | 60 | BUY | |
| Texas Instruments | IC DIFF RCVR DUAL HS 16-TSSOP | 1654 | RFQ | |
| Texas Instruments | IC DIFF RCVR DUAL HS 16-TSSOP | 12 | BUY | |
| Texas Instruments | IC DIFF LINE RECEIVER 64-TSSOP | 1000 | RFQ | |
| Texas Instruments | IC DIFF RCVR DUAL HS 16-TSSOP | 11300 | BUY |


Product
Brand
Articles
Tools















