Analog Devices Inc. AD9695-1300EBZEVAL BD FOR AD9695-1300
Applications:
Data Conversion >
Analog to Digital Conversion
End Products:
Communications and TelecomData Acquisition SystemOscilloscopeDigital Pre-DistortionInstrumentationSatellite RadioDiversity Radio ReceiverTestersNetwork AnalyzerCommunications SystemSoftware Defined RadioRadar SystemElectronic Countermeasures (ECM)Spectrum Analyzer
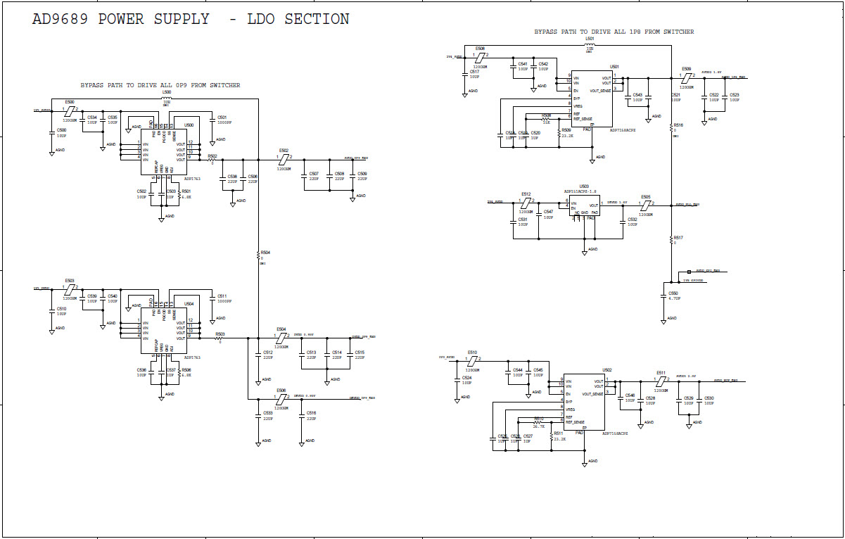
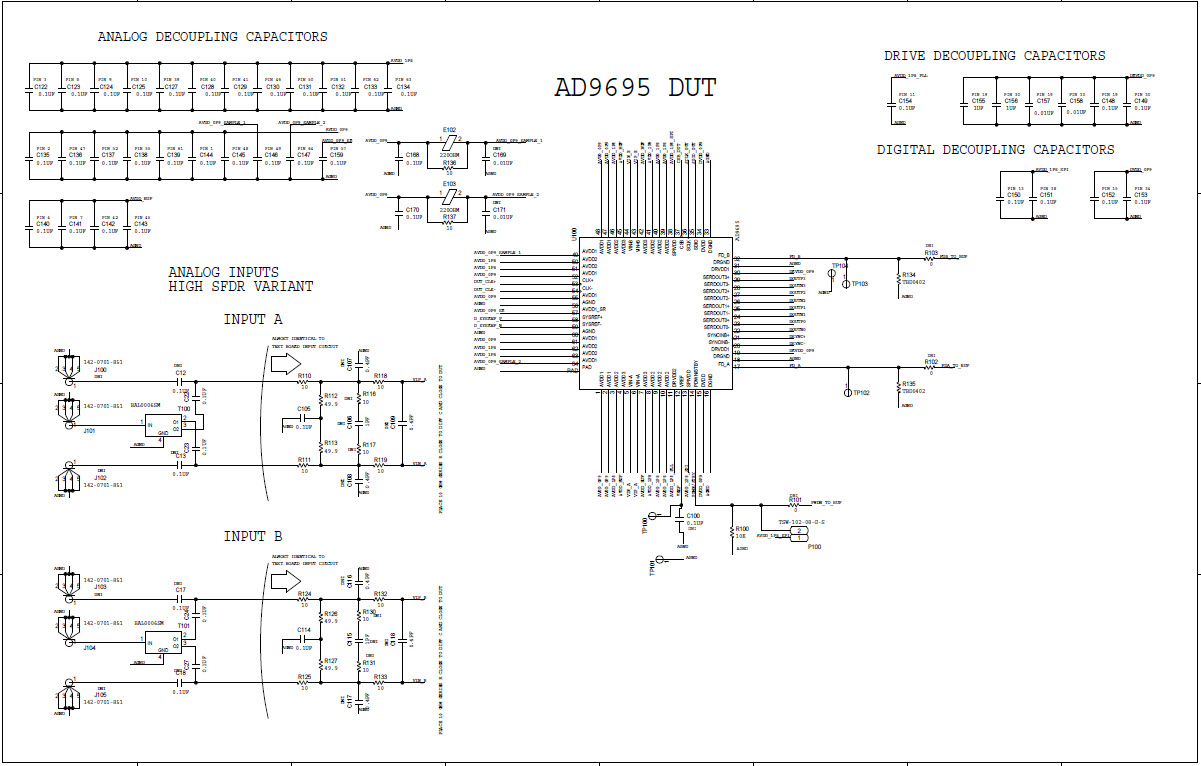
The Analog Devices AD9695-1300EBZ Evaluation Board is designed to evaluate the performance of the AD9695, a 14-bit, 1300 MSPS dual analog-to-digital converter. This board is ideal for applications in communications and telecom, providing a high-speed, low-power solution for signal conversion. The board features two AD9695 chips, each with two analog inputs, two digital outputs, and a reference clock input. It also includes a power supply, a USB interface, and a variety of test points and connectors for easy evaluation. The board is designed to be used with the AD9695 Evaluation Software, which provides a graphical user interface for configuring and testing the AD9695.
- TypeParameter
- Lifecycle StatusPRODUCTION (Last Updated: 2 weeks ago)
- Factory Lead Time8 Weeks
- Number of Pins0
- PackagingBulk
- Part StatusActive
- Base Part NumberAD9695
- Number of Bits14
- Utilized IC / PartAD9695-1300
- Supplied ContentsBoard(s)
- Data InterfaceJESD204B, Serial
- Sampling Rate (Per Second)1.3G
- Number of A/D Converters2
- Input Range1.36V ~ 2.04Vpp
- Power (Typ) @ Conditions1.6W @ 1.3GSPS
- RoHS StatusROHS3 Compliant
| Part Number | Manufacturer | Description | Stock | RFQ |
|---|---|---|---|---|
| Analog Devices, Inc. | 750 | RFQ | ||
| Analog Devices Inc. | DUAL 14BIT 1.3G SPS/625MPSP ADC | 518 | BUY | |
| STMicroelectronics | IC EEPROM 2K I2C 400KHZ 8SO | 982500 | RFQ | |
| Analog Devices Inc. | IC REG CTRLR BUCK 48LFCSP | 10 | RFQ | |
| Analog Devices Inc. | IC REG LINEAR 3A 16LFCSP | 40 | RFQ | |
| Analog Devices Inc. | Clock Buffer 2-OUT 16-Pin LFCSP EP T/R | 1508 | RFQ | |
| Analog Devices Inc. | IC CLK BUFFER 1:1 7.5GHZ 16LFCSP | 881 | BUY | |
| Analog Devices Inc. | Linear Voltage Regulators Ultra-Low Noise 200mA LDO | 100 | BUY | |
| Analog Devices Inc. | IC CLK BUFFER 1:1 7.5GHZ 16LFCSP | 2789 | BUY | |
| Analog Devices Inc. | DUAL 14BIT 1.3G SPS/1300MSPS ADC | 667 | RFQ | |
| Analog Devices Inc. | IC REG LINEAR POS ADJ 2A 10LFCSP | 600 | BUY |


Product
Brand
Articles
Tools




































