Analog Devices Inc. DC333A-BLT5502EGN 400MHZ IF DEMO BOARD
Description
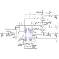
The Analog Devices DC333A-B Demo Board for the LT5502EGN 400MHz IF Receiver with Limiting Amp, I/Q Demodulator, and Wireless Connectivity is a powerful and versatile tool for evaluating the performance of the LT5502EGN. This demo board features a wide range of features, including a 400MHz IF receiver with limiting amplifier, I/Q demodulator, and wireless connectivity. The board also includes a variety of test points and connectors for easy evaluation of the device's performance. The board is designed to be used with the LT5502EGN, and is an ideal tool for evaluating the performance of the device in a variety of applications.
Specifications
Analog Devices Inc. technical specifications, attributes, parameters and parts with similar specifications to Analog Devices Inc. .
- TypeParameter
- MfrAnalog Devices Inc.
- PackageBulk
- Product StatusActive
- For Use With/Related ProductsLT5502
- Factory Pack QuantityFactory Pack Quantity1
- ManufacturerAnalog Devices Inc.
- BrandAnalog Devices
- Tool Is For Evaluation OfLT5502
- RoHSDetails
- For Use WithAmplifier IC
- Series-
- PackagingBulk
- TypeAmplifier, Demodulator, Receiver
- SubcategoryDevelopment Tools
- Frequency400MHz
- Supplied ContentsBoard(s)
- Product TypeRF Development Tools
- ProductDemonstration Boards
- Product CategoryRF Development Tools
0 Similar Products Remaining
Associated Products
| Part Number | Manufacturer | Description | Stock | RFQ |
|---|---|---|---|---|
| Analog Devices, Inc. | Voltage Detector IC 5.8 V SC-70, LTC4360CSC8-1#PBF, Linear Technology | 0 | RFQ |


Product
Brand
Articles
Tools




