Analog Devices Inc. EV-ADF5904SD2ZEVAL BOARD ADF5904 DOWNCONVERTER
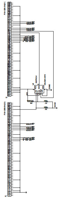
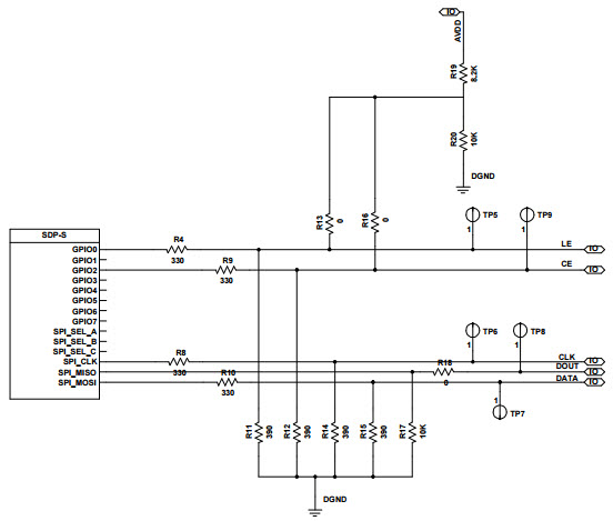
The Analog Devices EV-ADF5904SD2Z Evaluation Board is designed to evaluate the performance of the ADF5904 4-Channel, 24-GHz Receiver Down-Converter. This board is ideal for military and aerospace applications, providing a comprehensive evaluation platform for the ADF5904. It features four channels of down-conversion, with each channel providing a low-noise amplifier, a mixer, and a low-pass filter. The board also includes a power supply, a reference oscillator, and a control interface. The board is designed to be used with a variety of test equipment, including spectrum analyzers, signal generators, and oscilloscopes. The board is also designed to be used in a variety of environmental conditions, including extreme temperatures, shock, and vibration. The board is RoHS compliant and is designed to meet the requirements of MIL-STD-461F.
- TypeParameter
- Lifecycle StatusPRODUCTION (Last Updated: 3 weeks ago)
- Factory Lead Time8 Weeks
- Number of Pins0
- Part StatusActive
- Moisture Sensitivity Level (MSL)1 (Unlimited)
- TypeDownconverter
- Frequency24GHz
- Base Part NumberADF5904
- Supplied ContentsBoard(s)
- Evaluation KitYes
- REACH SVHCNo SVHC
- RoHS StatusROHS3 Compliant
- Lead FreeContains Lead


Product
Brand
Articles
Tools

















