Cooper HANI-IOTHANI-IOT
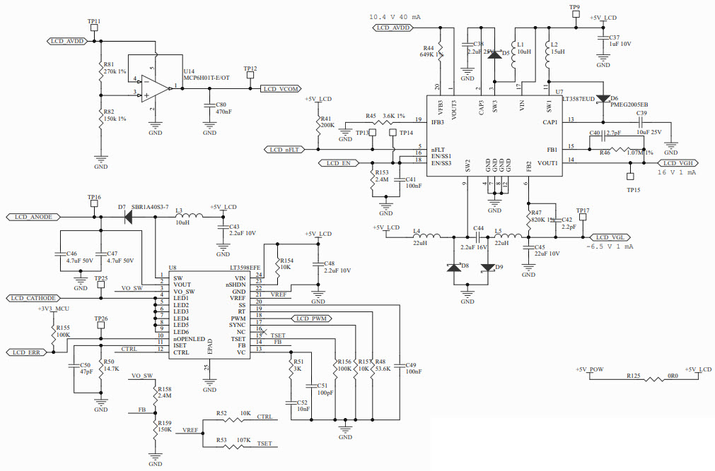
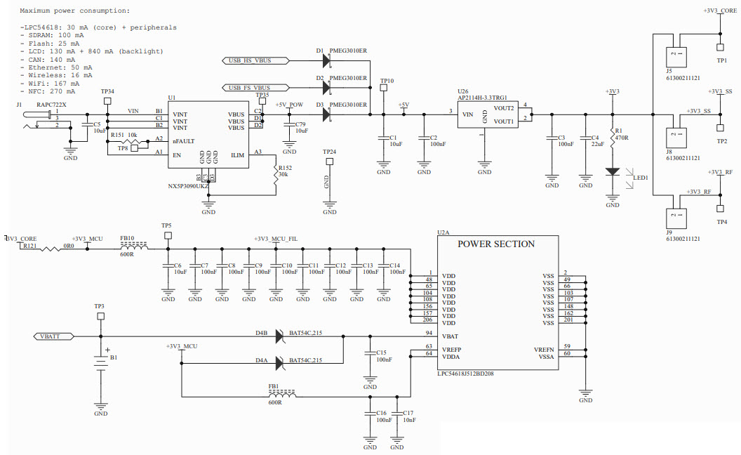
Arrow Development Tools HANI-IOT is a comprehensive IoT development board designed for smart sensors and gateways, communications, and telecoms. It is powered by the NXP i.MX 8M Plus processor and features a wide range of connectivity options, including Wi-Fi, Bluetooth, Zigbee, and LoRa. The board also includes a variety of sensors, including temperature, humidity, pressure, and light, as well as a range of I/O ports for connecting external devices. The board is designed to be used with the Arrow HMI software, which provides a graphical user interface for creating and managing IoT applications. With its powerful processor and comprehensive connectivity options, the HANI-IOT board is an ideal platform for developing and deploying IoT solutions.
| Part Number | Manufacturer | Description | Stock | RFQ |
|---|---|---|---|---|
| NXP USA Inc. | CLR663 Series RFID Reader 13.56 MHz I²C, SPI, UART 2.5 V ~ 5.5 V - HVQFN-32 | 2673 | RFQ | |
| Winbond Electronics Corporation | 100000 | RFQ | ||
| Diodes Incorporated | IC REG LINEAR 3.3V 1A SOT223 | 24163 | BUY | |
| C&K | SWITCH SLIDE DIP SPST 25MA 24V | 1825 | RFQ | |
| Winbond Electronics | IC FLASH 128M SPI 133MHZ 8SOIC | 54000 | RFQ | |
| Abracon LLC | CRYSTAL 32.7680KHZ 12.5PF SMD | 2131 | RFQ | |
| Winbond | Winbond NOR 128Mbit SPI Flash Memory 8-Pin SOIC, W25Q128JVSIQ/TUBE | 100000 | BUY |


Product
Brand
Articles
Tools






















































