Linear Technology/Analog Devices DC1503A-BEVALUATION KIT TRXR LTM2881-5
Description
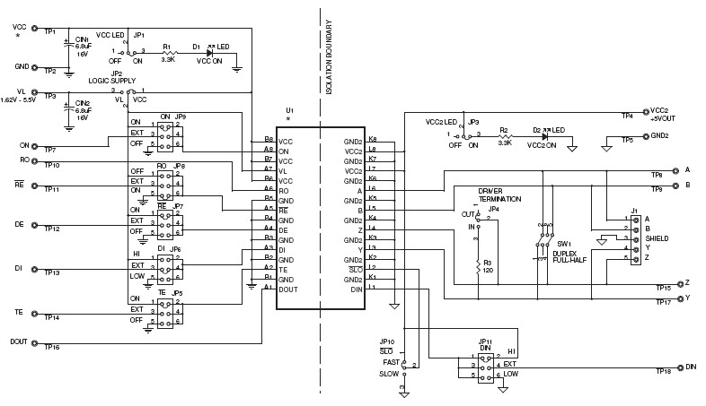
The Analog Devices DC1503A-B Demo Board is a powerful tool for industrial automation applications. It is equipped with the LTM2881-5 RS485 module isolator, which provides galvanic isolation between the RS485 bus and the system power supply. The board operates at 5V supply and is designed to provide reliable and robust communication between multiple devices. It is ideal for applications such as motor control, data acquisition, and industrial automation. The board also features a wide range of features such as adjustable baud rate, adjustable termination, and adjustable data rate. The board is also designed to be easy to use and configure, making it an ideal choice for industrial automation applications.
Specifications
Linear Technology/Analog Devices technical specifications, attributes, parameters and parts with similar specifications to Linear Technology/Analog Devices .
- TypeParameter
- Lifecycle StatusPRODUCTION (Last Updated: 1 month ago)
- Factory Lead Time8 Weeks
- Package / CaseModule
- Number of Pins0
- SeriesµModule®
- Published2009
- Part StatusActive
- Moisture Sensitivity Level (MSL)1 (Unlimited)
- TypeInterface
- Base Part NumberLTM2881
- FunctionTransceiver, RS-422, RS-485
- Operating Supply Voltage5.5V
- Utilized IC / PartLTM2881
- Supplied ContentsBoard(s)
- Evaluation KitYes
- Primary Attributes5V Supply, Isolated, Transceiver + Power
- EmbeddedNo
- REACH SVHCNo SVHC
- RoHS StatusNon-RoHS Compliant
0 Similar Products Remaining


Product
Brand
Articles
Tools











