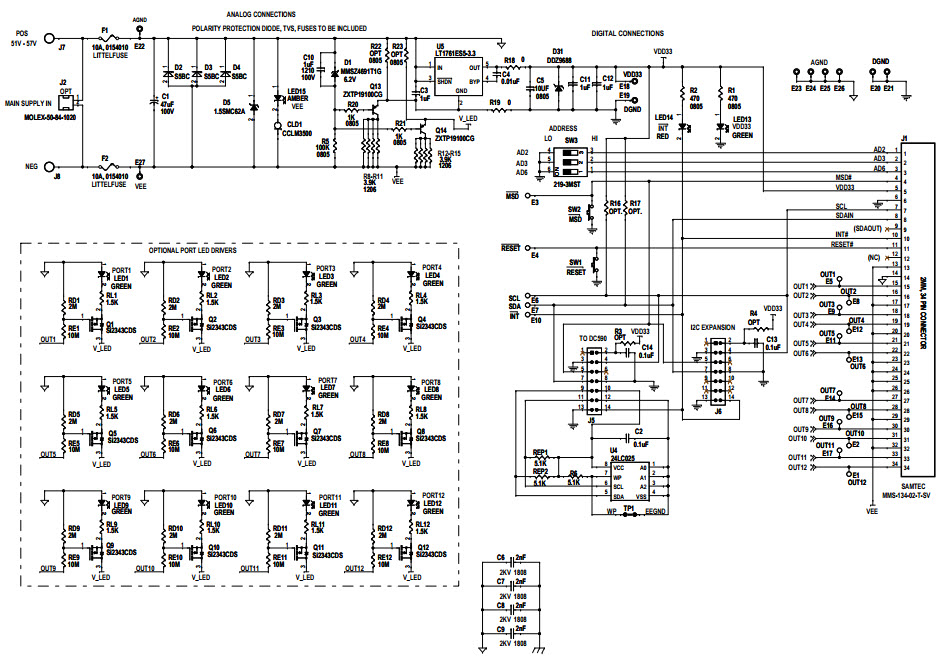
Linear Technology/Analog Devices DC1840BEVAL BOARD FOR LTC4270B LTC4271
The Analog Devices DC1840B-B, DC1840B, DC1682B and DC1680A Demonstration Kit for LTC4270/LTC4271 12-Port PSE with Digital Isolation, Power Management and Fault Detection is a comprehensive development platform for evaluating the features of the LTC4270/LTC4271 12-Port Power Sourcing Equipment (PSE) with digital isolation, power management and fault detection. The kit includes the DC1840B-B, DC1840B, DC1682B and DC1680A boards, which provide a complete solution for evaluating the features of the LTC4270/LTC4271. The DC1840B-B board provides a 12-port PSE with digital isolation, power management and fault detection. The DC1840B board provides a 12-port PSE with digital isolation, power management and fault detection. The DC1682B board provides a 12-port PSE with digital isolation, power management and fault detection. The DC1680A board provides a 12-port PSE with digital isolation, power management and fault detection. The kit also includes a USB-to-serial adapter, a power supply, and a set of cables for connecting the boards. The kit provides a comprehensive platform for evaluating the features of the LTC4270/LTC4271 12-Port PSE with digital isolation, power management and fault detection.
- TypeParameter
- Factory Lead Time4 Weeks
- Published2015
- Part StatusObsolete
- Moisture Sensitivity Level (MSL)1 (Unlimited)
- TypePower Management
- FunctionPower over Ethernet (PoE)
- Utilized IC / PartLTC4270B, LTC4271
- Supplied ContentsBoard(s)
- Primary Attributes12-Port PSE with Digital Isolation
- EmbeddedNo


Product
Brand
Articles
Tools












