Linear Technology/Analog Devices DC513ALTC2846CG LTC2845CG - SOFTWARE-S
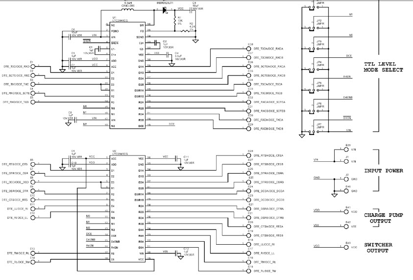
The Analog Devices DC513A-A Demo Board is a versatile platform for evaluating the LTC2846CG/LTC2845CG Software-Selectable Multi-Protocol Transceiver. This board is designed to provide a comprehensive evaluation of the transceiver’s features and performance. It includes a variety of connectors and jumpers to allow for easy connection to a variety of communication protocols, including RS-232, RS-485, CAN, and LIN. The board also includes a USB-to-UART bridge, allowing for easy connection to a PC for programming and debugging. The board also includes a variety of LEDs and switches to allow for easy monitoring and control of the transceiver’s operation. The DC513A-A Demo Board is an ideal platform for evaluating the performance of the LTC2846CG/LTC2845CG Software-Selectable Multi-Protocol Transceiver in a variety of communication and telecom applications.
- TypeParameter
- Factory Lead Time8 Weeks
- Part StatusActive
- Moisture Sensitivity Level (MSL)1 (Unlimited)
- TypeInterface
- FunctionTransceiver
- Utilized IC / PartLTC2845, LTC2846
- Supplied ContentsBoard(s)
- RoHS StatusROHS3 Compliant


Product
Brand
Articles
Tools






