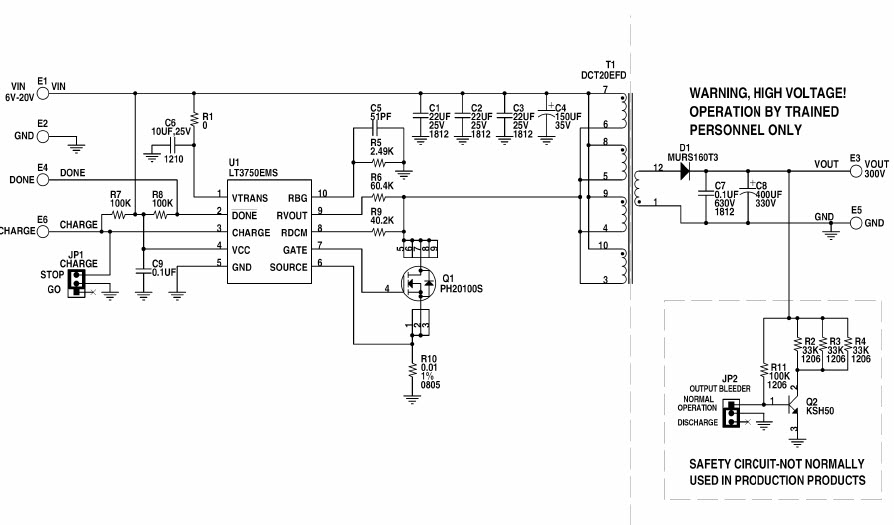
Linear Technology/Analog Devices DC891ABOARD DEMO FOR LT3750EMS
The Analog Devices DC891A-A, LT3750EMS, High Current Capacitive Charging Circuit, Lighting LED Driver is a high-performance, high-efficiency LED driver designed to provide a reliable and efficient power source for lighting applications. It features a wide input voltage range of 4.5V to 60V, and can deliver up to 1.5A of current. The LT3750EMS is a high-current, low-noise, low-ripple, and low-EMI switching regulator that provides a constant current output for LED lighting applications. The DC891A-A is a high-current, low-noise, low-ripple, and low-EMI capacitive charging circuit that provides a constant current output for LED lighting applications. It features a wide input voltage range of 4.5V to 60V, and can deliver up to 1.5A of current. The combination of the LT3750EMS and the DC891A-A provides a reliable and efficient power source for LED lighting applications.
- TypeParameter
- Lifecycle StatusPRODUCTION (Last Updated: 1 month ago)
- Factory Lead Time8 Weeks
- Number of Pins0
- Part StatusActive
- Moisture Sensitivity Level (MSL)1 (Unlimited)
- TypePower Management
- FunctionCapacitor Charger
- Utilized IC / PartLT3750
- Supplied ContentsBoard(s)
- RoHS StatusROHS3 Compliant


Product
Brand
Articles
Tools







