Linear Technology/Analog Devices DC2048ABOARD EVAL FOR LTC3330EUH
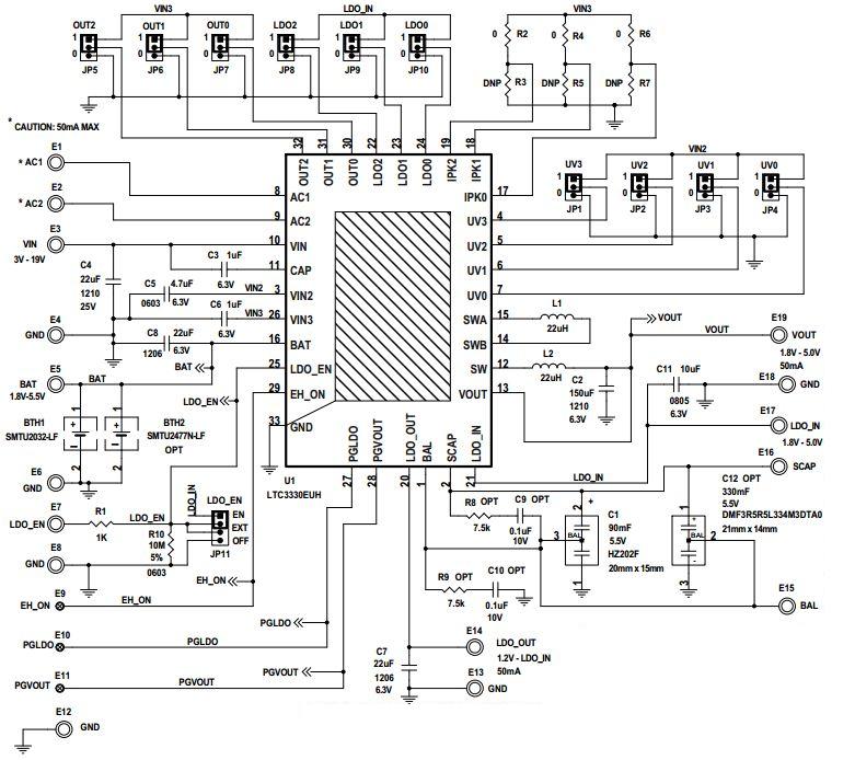
The Analog Devices DC2048A-A Demonstration Board is a versatile platform for evaluating the LTC3330EUH nano-power Buck-Boost DC/DC with Energy Harvesting Battery Life Extender. This board is designed to demonstrate the capabilities of the LTC3330EUH, which is a highly efficient, low-power DC/DC converter that can be used to extend the life of energy harvesting batteries. The board features a wide input voltage range of 0.9V to 5.5V, adjustable output voltage range of 0.9V to 5.5V, and a maximum output current of 1A. It also includes a variety of features such as an adjustable switching frequency, programmable soft-start, and a low-battery detect circuit. The board also includes a USB interface for easy programming and monitoring. With its wide range of features and capabilities, the DC2048A-A Demonstration Board is an ideal platform for evaluating the LTC3330EUH nano-power Buck-Boost DC/DC with Energy Harvesting Battery Life Extender.
- TypeParameter
- Lifecycle StatusPRODUCTION (Last Updated: 3 months ago)
- Factory Lead Time8 Weeks
- Number of Pins0
- Published2013
- Part StatusActive
- Moisture Sensitivity Level (MSL)1 (Unlimited)
- TypePower Management
- Base Part NumberLTC3330
- FunctionEnergy Harvesting
- Utilized IC / PartLTC3330
- Supplied ContentsBoard(s)
- Evaluation KitYes
- EmbeddedNo
- RoHS StatusROHS3 Compliant
| Part Number | Manufacturer | Description | Stock | RFQ |
|---|---|---|---|---|
| Analog Devices, Inc. | 0 | RFQ | ||
| ON Semiconductor | IC LOGIC GATE UHS 2-INP SC70-6 | 11452 | RFQ |


Product
Brand
Articles
Tools





















