Linear Technology/Analog Devices DC2042ABOARD EVAL FOR ENERGY HARVESTING
Description
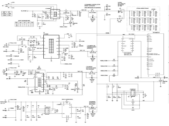
The Analog Devices DC2042A-A, LTC3588-1 Demo Board, Energy Harvesting (EH) Multisource is a versatile energy harvesting platform designed to demonstrate the capabilities of the LTC3588-1 energy harvesting IC. The board is capable of harvesting energy from multiple sources, including solar, thermal, and vibration, and can be used to power a variety of applications. The board includes a DC/DC converter, a buck-boost converter, and a low-dropout regulator, allowing for efficient energy conversion and storage. The board also includes a variety of connectors and headers for easy integration with other systems. The board is ideal for prototyping and testing energy harvesting applications, and can be used to power a variety of low-power devices.
Specifications
Linear Technology/Analog Devices technical specifications, attributes, parameters and parts with similar specifications to Linear Technology/Analog Devices .
- TypeParameter
- Factory Lead Time8 Weeks
- Published2008
- Part StatusActive
- Moisture Sensitivity Level (MSL)1 (Unlimited)
- TypePower Management
- FunctionEnergy Harvesting
- Utilized IC / PartLTC3588-1
- Supplied ContentsBoard(s)
- RoHS StatusROHS3 Compliant
0 Similar Products Remaining
Technical Documents
Associated Products
| Part Number | Manufacturer | Description | Stock | RFQ |
|---|---|---|---|---|
| Analog Devices, Inc. | 0 | RFQ | ||
| Analog Devices, Inc. | 0 | RFQ | ||
| Analog Devices / Linear Technology | 0 | RFQ |


Product
Brand
Articles
Tools
















