Maxim Integrated DS28E16EVKIT#EVAL DS28E16 1WIRE SECURE
Description
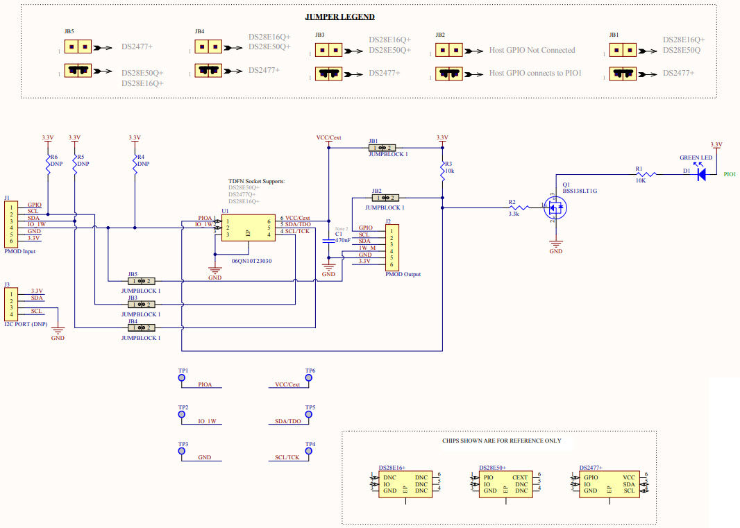
The Maxim Integrated DS28E16EVKIT-EVKIT# is an evaluation kit for the DS28E16 and DS2477 1-Wire SHA-3 Secure Authenticator. This kit provides a comprehensive platform for evaluating the features and performance of the DS28E16 and DS2477 devices. It includes a USB-based interface board, a DS28E16 device, and a DS2477 device. The USB-based interface board allows for easy connection to a PC for programming and debugging. The DS28E16 device provides a secure authentication solution for embedded systems, while the DS2477 device provides a secure, low-power, low-cost solution for instrumentation and measurement applications. The kit also includes a comprehensive set of software tools for programming, debugging, and testing the devices.
Specifications
Maxim Integrated technical specifications, attributes, parameters and parts with similar specifications to Maxim Integrated .
- TypeParameter
- Factory Lead Time6 Weeks
- SeriesDeepCover®
- Part StatusActive
- Moisture Sensitivity Level (MSL)1 (Unlimited)
- TypeInterface
- FunctionAnti Tamper and Security
- Utilized IC / PartDS28E16
- Supplied ContentsBoard(s)
- EmbeddedNo
- RoHS StatusROHS3 Compliant
0 Similar Products Remaining
Technical Documents


Product
Brand
Articles
Tools











