Maxim Integrated DS28E36EVKIT#EVAL KIT
Description
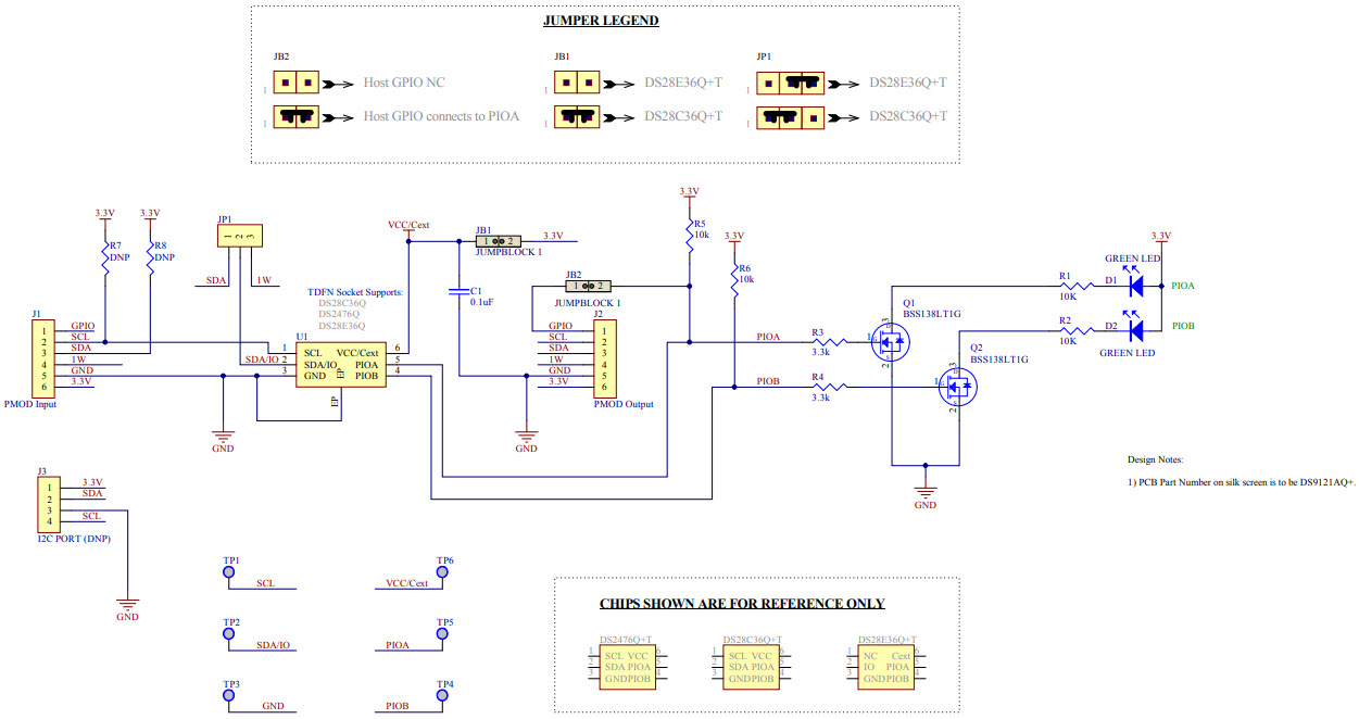
The Maxim Integrated DS28E36EVKIT-EVKIT# is an evaluation system for the DS28E36 and DS2476 DeepCover Secure Authenticator Security ICs. This system provides a comprehensive platform for evaluating the features and performance of the DS28E36 and DS2476 ICs. It includes a USB-based interface board, a DS28E36 evaluation board, and a DS2476 evaluation board. The USB-based interface board allows for easy connection to a PC, while the evaluation boards provide a platform for testing the ICs. The system also includes a comprehensive set of software tools for configuring and testing the ICs. This evaluation system is ideal for developers and engineers who need to evaluate the features and performance of the DS28E36 and DS2476 ICs.
Specifications
Maxim Integrated technical specifications, attributes, parameters and parts with similar specifications to Maxim Integrated .
- TypeParameter
- Factory Lead Time6 Weeks
- SeriesDeepCover®
- Part StatusActive
- Moisture Sensitivity Level (MSL)Not Applicable
- TypeInterface
- FunctionAnti Tamper and Security
- Utilized IC / PartDS28E36
- Supplied ContentsBoard(s)
- RoHS StatusROHS3 Compliant
0 Similar Products Remaining
Technical Documents
- DS28E36EVKIT Datasheet
- DS28E36
- DeepCover? Solution Guide
- Isolate Software Excecution with a DeepCover? Security Framework
- How Unclonable Turnkey Embedded Security Protects Designs from Ground Up
- Easily Add Memory, Security, Monitoring, Control to Medical Sensors, Consumables
- DS28E36EVKIT%23-Maxim-Integrated-datasheet-101610012.pdf
- Maxim-Integrated-company-65.pdf
Associated Products
| Part Number | Manufacturer | Description | Stock | RFQ |
|---|---|---|---|---|
| EPSON | CRYSTAL 12.0000MHZ 10PF SMD | 25 | BUY | |
| Maxim Integrated | 0 | RFQ | ||
| Maxim Integrated | LDO Regulator Pos 3.3V 0.15A 5-Pin SC-70 Tube | 0 | RFQ |


Product
Brand
Articles
Tools


















