MikroElektronika MIKROE-3191FLASH 4 CLICK
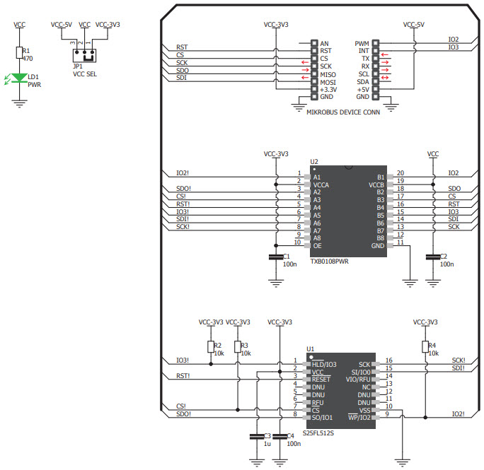
The MikroElektronika MIKROE-3191 Flash 4 Click Board is a communications and telecom module based on the S25FL512S 512 Mbit SPI Flash Memory Module. It is designed to provide a reliable and efficient storage solution for applications requiring large amounts of data. The board features a high-speed SPI interface, allowing for fast data transfer rates and low power consumption. It also includes a wide range of features such as write protection, sector erase, and block erase. The board is compatible with a variety of microcontrollers and development boards, making it an ideal choice for embedded applications. With its robust design and reliable performance, the MikroElektronika MIKROE-3191 Flash 4 Click Board is an excellent choice for any communications or telecom project.
- TypeParameter
- Factory Lead Time4 Weeks
- Part StatusActive
- Moisture Sensitivity Level (MSL)1 (Unlimited)
- TypeMemory
- FunctionFlash
- Utilized IC / PartS25FL512S
- ContentsBoard(s)
- PlatformmikroBUS™ Click™
- RoHS StatusROHS3 Compliant
| Part Number | Manufacturer | Description | Stock | RFQ |
|---|---|---|---|---|
| Texas Instruments | IC, TRANSLATOR, 8BIT, BIDIRECTIONAL | 4048 | RFQ |


Product
Brand
Articles
Tools




















