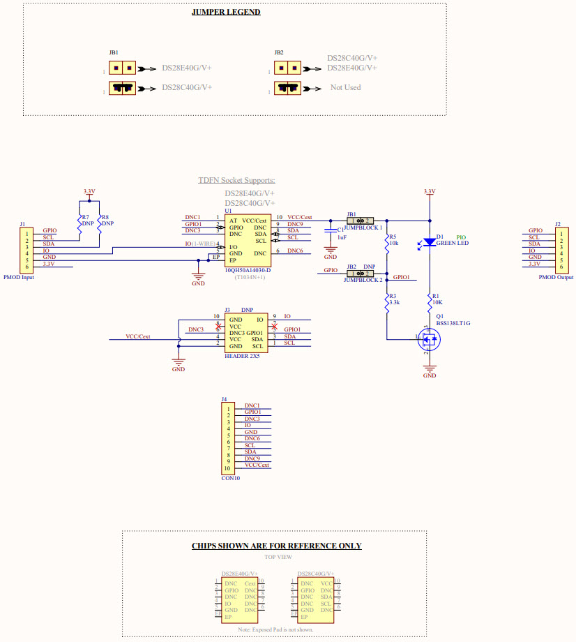
Maxim Integrated DS28C40EVKIT#EVAL DS28C40 AUTHENTICTOR
The Maxim Integrated DS28C40EVKIT-EVKIT# is an evaluation system for the DS28C40 Deep Cover Automotive I2C Authenticator Security IC. This system provides a comprehensive platform for evaluating the features and performance of the DS28C40 IC. It includes a DS28C40EVKIT# board, a USB-I2C adapter, and a software package with a graphical user interface. The board features a DS28C40 IC, a temperature sensor, and a voltage regulator. The USB-I2C adapter allows for easy connection to a PC for programming and debugging. The software package includes a library of commands and functions for controlling the DS28C40 IC, as well as a graphical user interface for configuring and monitoring the IC. The DS28C40EVKIT-EVKIT# is an ideal tool for evaluating the features and performance of the DS28C40 IC.
- TypeParameter
- Factory Lead Time6 Weeks
- SeriesDeepCover®
- Part StatusActive
- Moisture Sensitivity Level (MSL)1 (Unlimited)
- TypeInterface
- FunctionAnti Tamper and Security
- Utilized IC / PartDS28C40
- Supplied ContentsBoard(s), Cable(s)
- Secondary AttributesGraphical User Interface, I2C Interface
- RoHS StatusROHS3 Compliant
| Part Number | Manufacturer | Description | Stock | RFQ |
|---|---|---|---|---|
| Microchip Technology | MICROCHIP TC649BEUA PWM, FAN SPEED CNTRL, SD, 8-MSOP | 5000 | BUY | |
| Microchip Technology | MICROCHIP TC649BEOA PWM, FAN SPEED CNTRL, SD, 8-SOIC | 188 | BUY | |
| Microchip Technology | MICROCHIP TC649BEPA IC, PWM, FAN SPEED CNTRL, SD, 8-DIP | 55 | BUY | |
| Microchip Technology | PWM Fan Speed Controller with Fan Restart; Auto-Shutdown and Fault Detection | 10 | BUY | |
| Microchip Technology | TC649 Series 5.5 V PWM Fan Speed Controller w/ Fault Detection - MSOP-8 | 0 | RFQ |


Product
Brand
Articles
Tools
















