Maxim Integrated MAX31723PMB1#Temperature Sensor Development Tools MAX31723 Peripheral Module
Description
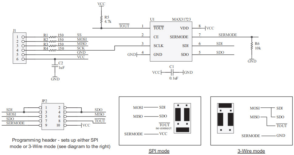
The MAX31723PMB1-PMB1# Peripheral Module from Maxim Integrated is a development board for the MAX31723 digital thermometer and thermostat with SPI/3-Wire interface. It is designed for industrial temperature range applications and features a wide operating temperature range of -40°C to +125°C. The board includes a MAX31723 digital thermometer and thermostat, a MAX31855 thermocouple-to-digital converter, and a MAX6675 thermocouple-to-digital converter. It also includes a MAX6126 voltage reference, a MAX6127 voltage reference, and a MAX6128 voltage reference. The board is designed to be used with the MAX31723 evaluation kit and is compatible with the MAX31723 evaluation software.
Specifications
Maxim Integrated technical specifications, attributes, parameters and parts with similar specifications to Maxim Integrated .
- TypeParameter
- Factory Lead Time6 Weeks
- Package / CaseModule
- Published2012
- Part StatusActive
- Moisture Sensitivity Level (MSL)1 (Unlimited)
- Max Operating Temperature125°C
- Min Operating Temperature-55°C
- Operating Supply Voltage3.7V
- InterfaceSPI
- Utilized IC / PartMAX31723
- Supplied ContentsBoard(s)
- Evaluation KitYes
- Sensor TypeTemperature
- Sensitivity±0.5°C
- EmbeddedNo
- Sensing Range-55°C ~ 125°C
- Height30mm
- Length297mm
- Width210mm
- REACH SVHCUnknown
- RoHS StatusROHS3 Compliant
0 Similar Products Remaining


Product
Brand
Articles
Tools











