Maxim Integrated MAX31856EVSYS#EVALUATION SYSTEM MAX31856
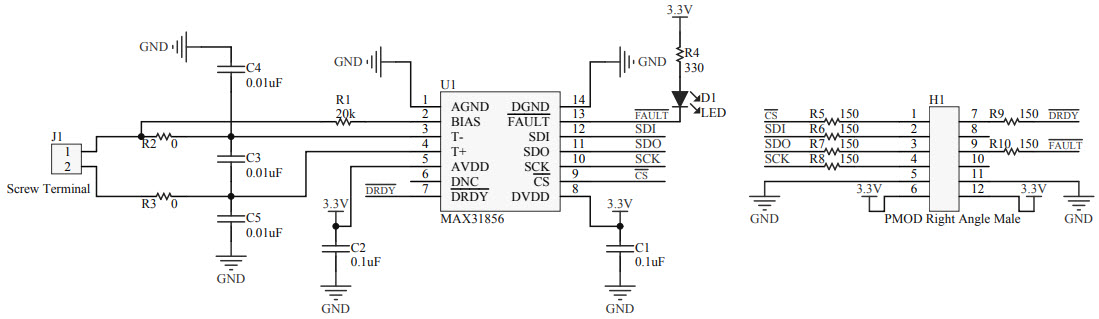
The MAX31856EVSYS-EVSYS# Evaluation System for MAX31856 Precision Thermocouple to Digital Converter with Linearization, Industrial Temperature Range is a comprehensive evaluation system designed to evaluate the performance of the MAX31856 precision thermocouple-to-digital converter. This evaluation system includes a MAX31856 evaluation board, a USB-to-I2C interface board, and a software package. The evaluation board features a MAX31856 device, a thermocouple connector, and a USB connector. The USB-to-I2C interface board allows the user to connect the evaluation board to a PC for data acquisition and control. The software package includes a GUI, a library of functions, and example programs. The GUI allows the user to configure the MAX31856 device, read and write data, and view the results. The library of functions provides an easy-to-use API for controlling the MAX31856 device. The example programs demonstrate how to use the library of functions to control the MAX31856 device. This evaluation system is ideal for evaluating the performance of the MAX31856 precision thermocouple-to-digital converter in industrial temperature ranges.
- TypeParameter
- Factory Lead Time6 Weeks
- Published2015
- Part StatusActive
- Moisture Sensitivity Level (MSL)1 (Unlimited)
- TypeInterface
- FunctionSensor Signal Conditioner
- Utilized IC / PartMAX31856
- Supplied ContentsBoard(s), Cable(s)
- Evaluation KitYes
- Primary AttributesPmod™-Compatible
- Secondary AttributesGraphical User Interface
- RoHS StatusROHS3 Compliant


Product
Brand
Articles
Tools












