Maxim Integrated MAX31785K#Motor / Motion / Ignition Controllers & Drivers MAX31785 Eval Kit
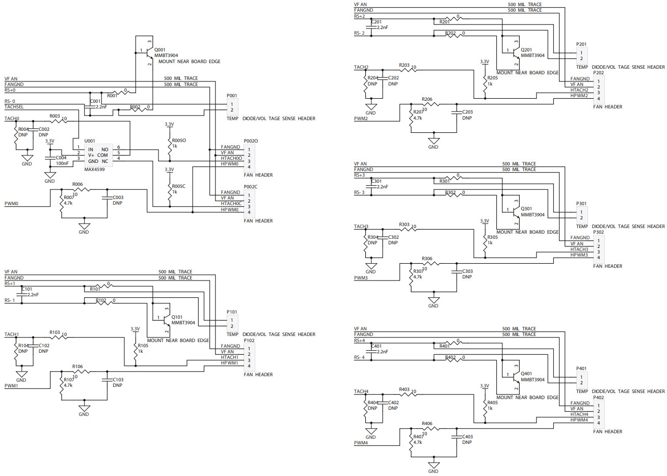
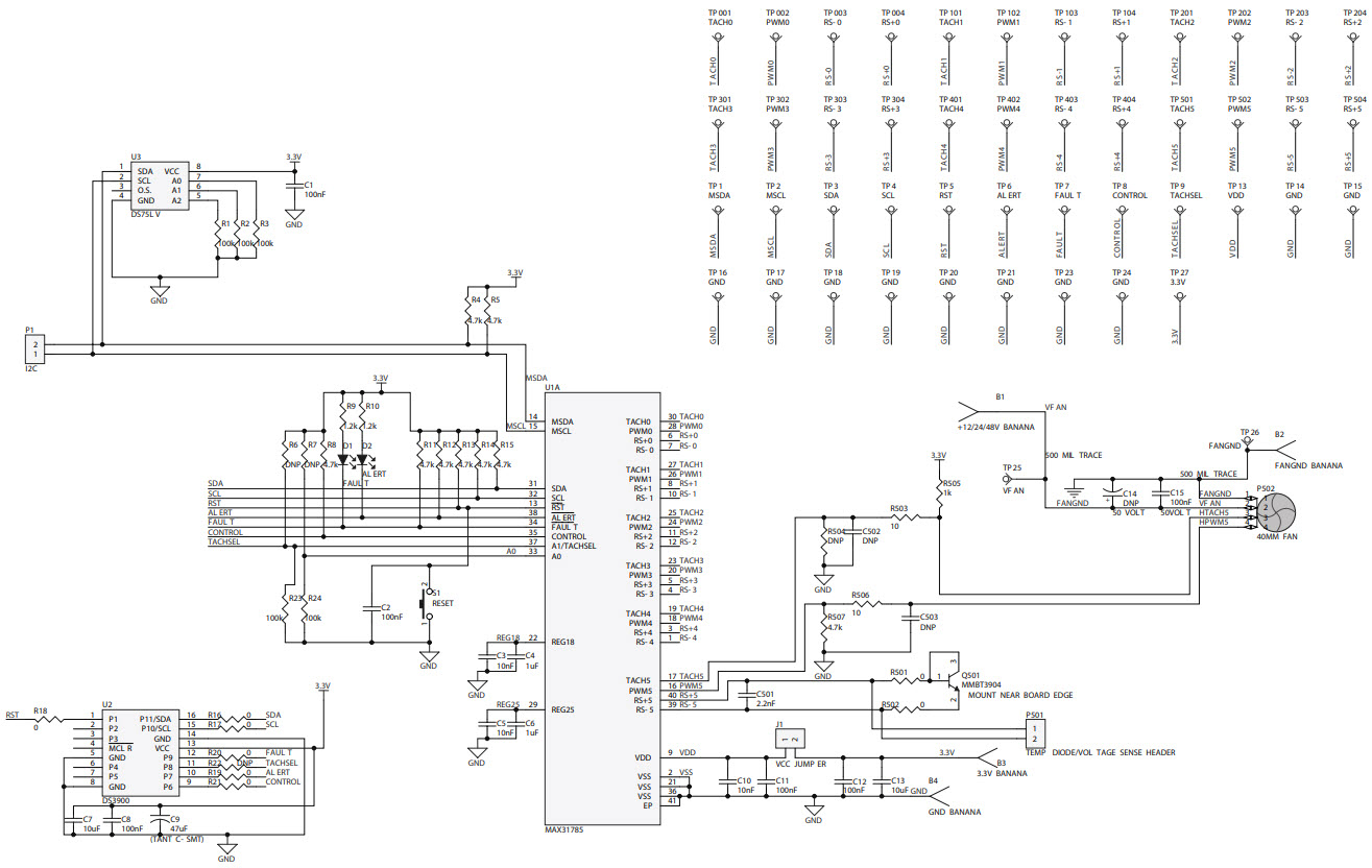
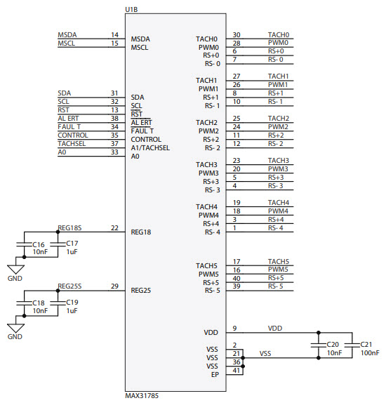
The MAX31785K-K# and MAX31785K# Evaluation Kit for the MAX31785 6-Channel Intelligent Fan Controller, Communications and Telecom IC from Maxim Integrated is a comprehensive evaluation platform for the MAX31785. It provides a complete solution for evaluating the features and performance of the MAX31785. The kit includes a MAX31785K-K# or MAX31785K# IC, a MAX31785K-K# or MAX31785K# evaluation board, a USB-to-I2C interface board, and a USB cable. The evaluation board provides a convenient platform for evaluating the MAX31785’s features, such as its 6-channel fan control, temperature monitoring, and fan speed control. The USB-to-I2C interface board allows for easy connection to a PC for programming and debugging. The kit also includes a comprehensive set of software tools, including a graphical user interface, example code, and documentation. The MAX31785K-K# and MAX31785K# Evaluation Kit is an ideal solution for evaluating the features and performance of the MAX31785.
- TypeParameter
- Factory Lead Time3 Weeks
- Published2014
- Part StatusActive
- Moisture Sensitivity Level (MSL)1 (Unlimited)
- TypePower Management
- FunctionFan Controller
- Nominal Supply Current3mA
- Utilized IC / PartMAX31785
- Supplied ContentsBoard(s)
- Evaluation KitYes
- RoHS StatusROHS3 Compliant
| Part Number | Manufacturer | Description | Stock | RFQ |
|---|---|---|---|---|
| Maxim Integrated | SENSOR DIGITAL -55C-125C 8SOIC | 855 | BUY |


Product
Brand
Articles
Tools















