Maxim Integrated MAX7311EVKIT+EV Kit Is A Fully Assembled And Tested Surface-Mount Printed Circuit Board
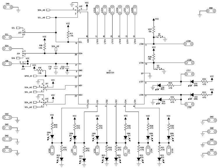
The MAX7311EVKIT+ Evaluation Kit for MAX7311 I/O Controller for Servers, Industrial, and Automotive Applications from Maxim Integrated is a comprehensive evaluation platform for the MAX7311 I/O controller. This kit includes a MAX7311EVKIT+ board, a MAX7311EVKIT+ daughter board, and a USB cable. The MAX7311EVKIT+ board features a MAX7311 I/O controller, a USB-to-serial converter, and a power supply. The MAX7311EVKIT+ daughter board provides access to all of the MAX7311 I/O pins, allowing for easy evaluation of the device. The USB cable allows for easy connection to a PC for programming and debugging. The MAX7311EVKIT+ Evaluation Kit is an ideal platform for evaluating the MAX7311 I/O controller for servers, industrial, and automotive applications.
- TypeParameter
- Factory Lead Time6 Weeks
- MountSurface Mount
- Part StatusActive
- Moisture Sensitivity Level (MSL)1 (Unlimited)
- Evaluation KitYes
- Radiation HardeningNo
- RoHS StatusNon-RoHS Compliant
| Part Number | Manufacturer | Description | Stock | RFQ |
|---|---|---|---|---|
| Maxim Integrated | IC INTERFACE SPECIALIZED 10UMAX | 4500 | BUY | |
| Maxim Integrated | MAXIM INTEGRATED PRODUCTS MAX6951EEE LED DISPLAY DRIVER, 8 DIGIT, 16QSOP | 401 | RFQ |


Product
Brand
Articles
Tools








