Maxim Integrated MAX7312EVKIT+EVAL KIT MAX7312 (2-WIRE-INTERFA
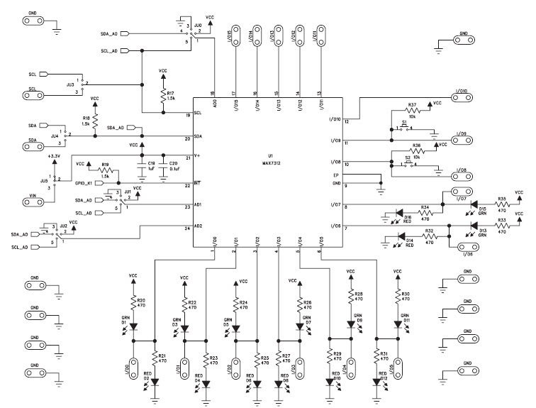
The MAX7312EVKIT+ Evaluation Kit for MAX7312 I/O Controller for Servers, Industrial, and Automotive Applications from Maxim Integrated is a comprehensive evaluation platform for the MAX7312 I/O controller. This kit includes a MAX7312EVKIT+ board, a MAX7312EVKIT+ daughter board, and a USB cable. The MAX7312EVKIT+ board features a MAX7312 I/O controller, a USB-to-serial converter, and a power supply. The MAX7312EVKIT+ daughter board provides access to all of the MAX7312 I/O controller's features, including GPIO, I2C, SPI, and UART interfaces. The USB cable allows for easy connection to a PC for programming and debugging. The MAX7312EVKIT+ Evaluation Kit is an ideal platform for evaluating the MAX7312 I/O controller for use in servers, industrial, and automotive applications.
- TypeParameter
- Factory Lead Time6 Weeks
- Part StatusActive
- Moisture Sensitivity Level (MSL)1 (Unlimited)
- Evaluation KitYes
- Radiation HardeningNo
- RoHS StatusNon-RoHS Compliant
| Part Number | Manufacturer | Description | Stock | RFQ |
|---|---|---|---|---|
| Maxim Integrated | LDO Voltage Regulators 120mA Linear Regulator | 43 | BUY |


Product
Brand
Articles
Tools







