Maxim Integrated MAX7321EVKIT+EVAL KIT MAX7321 (PORT EXPANDER
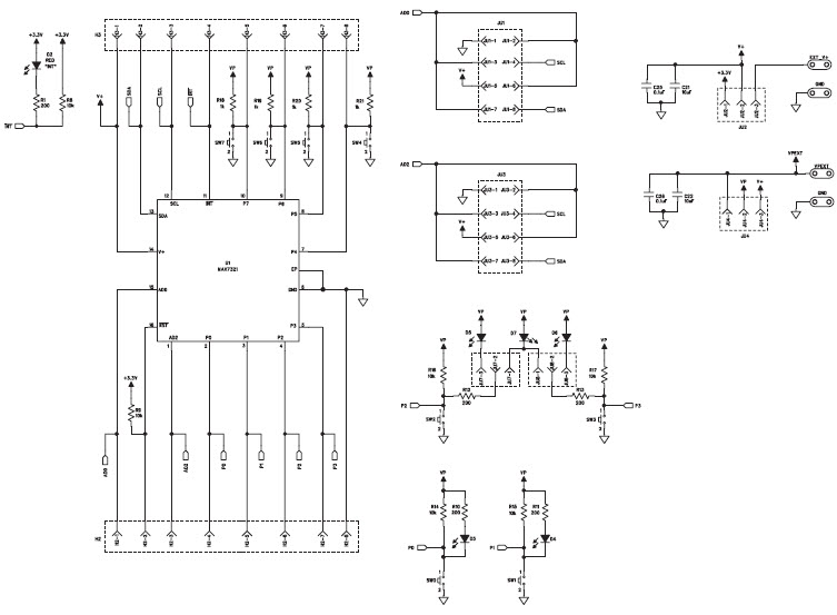
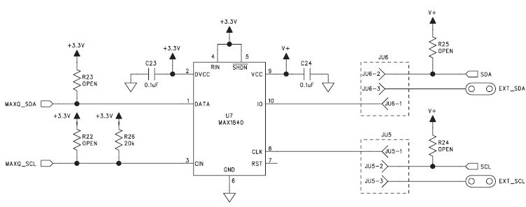
The MAX7321EVKIT+ Evaluation Kit for MAX7321 I/O Controller for Notebook, Automotive and Transportation Applications from Maxim Integrated is a comprehensive evaluation platform for the MAX7321 I/O controller. It includes a MAX7321EVKIT+ board, a MAX7321EVKIT+ daughter board, and a USB cable. The MAX7321EVKIT+ board features a MAX7321 I/O controller, a USB-to-serial converter, and a power supply. The MAX7321EVKIT+ daughter board provides access to all of the MAX7321 I/O controller's features, including GPIO, I2C, SPI, and UART. The USB cable allows for easy connection to a PC for programming and debugging. The MAX7321EVKIT+ Evaluation Kit is an ideal platform for evaluating the MAX7321 I/O controller for notebook, automotive, and transportation applications.
- TypeParameter
- Factory Lead Time6 Weeks
- Part StatusActive
- Moisture Sensitivity Level (MSL)1 (Unlimited)
- RoHS StatusNon-RoHS Compliant


Product
Brand
Articles
Tools










