Microchip Technology EVB-USB2534BCBOARD EVAL USB2534
Description
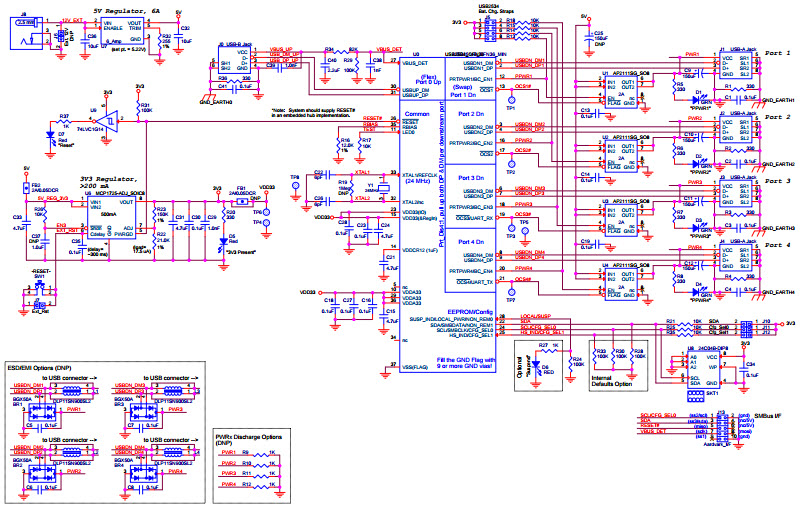
The Microchip Technology EVB-USB2534BC is an evaluation board for the USB2534 4-Port USB 2.0 Hub with Battery Charging. This board is designed to provide a platform for testing and evaluating the USB2534 hub. It features four USB 2.0 ports, each with a dedicated power switch and LED indicator. The board also includes a battery charging circuit, allowing for the charging of up to four batteries simultaneously. The board is compatible with a wide range of computers and peripherals, making it an ideal solution for testing and evaluating USB 2.0 hubs.
Specifications
Microchip Technology technical specifications, attributes, parameters and parts with similar specifications to Microchip Technology .
- TypeParameter
- Factory Lead Time14 Weeks
- PackagingBulk
- SeriesflexPWR™
- Part StatusActive
- Moisture Sensitivity Level (MSL)1 (Unlimited)
- TypeInterface
- Base Part NumberUSB2534
- FunctionUSB 2.0 Hub
- Operating Supply Voltage5V
- InterfaceI2C, USB
- Operating Supply Current2A
- Utilized IC / PartUSB2534
- Supplied ContentsBoard(s)
- Evaluation KitYes
- Primary AttributesUSB Charging Port
- EmbeddedNo
- Secondary AttributesOn-Board LEDs
- RoHS StatusROHS3 Compliant
- Lead FreeLead Free
0 Similar Products Remaining
Technical Documents
Associated Products
| Part Number | Manufacturer | Description | Stock | RFQ |
|---|---|---|---|---|
| Analog Devices Inc. | ANALOG DEVICES AD780BNZ Voltage Reference, High Precision, Series - Programmable, AD780 Series, 2.5V, 3V, DIP-8 | 85 | RFQ | |
| Analog Devices Inc. | IC VREF SERIES/SHUNT PROG 8SOIC | 81 | RFQ | |
| Analog Devices Inc. | V-Ref Programmable 2.5V/3V 10mA 8-Pin SOIC N T/R | 30 | RFQ | |
| Analog Devices Inc. | V-Ref Programmable 2.5V/3V 10mA 8-Pin SOIC N T/R | 2037 | BUY | |
| Analog Devices Inc. | V-Ref Programmable 2.5V/3V 10mA 8-Pin SOIC N T/R | 5000 | RFQ | |
| Analog Devices Inc. | IC VREF SERIES/SHUNT PROG 8SOIC | 20 | RFQ | |
| Analog Devices Inc. | Operational Amplifier, Quad, 28 Mhz, 4, 170 V/ S, 4.5V To 18V, Dip, 14 Rohs Compliant: Yes | 88888 | RFQ |


Product
Brand
Articles
Tools














