Microchip Technology TMPSNS-RTD1BOARD EVAL PT100 RTD TEMP SENSOR
Description
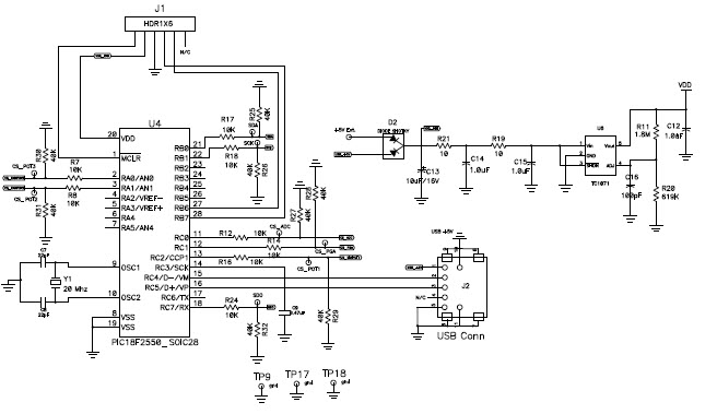
The Microchip Technology TMPSNS-RTD1 Evaluation Board is a consumer electronics device designed to measure temperature using a PT100 RTD resistive temperature detector. It features a low-power, low-noise, high-accuracy temperature measurement system, with a wide temperature range of -50°C to +150°C. The board includes a precision voltage reference, a precision resistor, and a precision amplifier, allowing for accurate temperature readings. It also includes a USB interface for easy connection to a PC, allowing for easy data logging and analysis. The board is ideal for applications such as consumer electronics, automotive, and industrial temperature measurement.
Specifications
Microchip Technology technical specifications, attributes, parameters and parts with similar specifications to Microchip Technology .
- TypeParameter
- Factory Lead Time14 Weeks
- Published2007
- Part StatusActive
- Moisture Sensitivity Level (MSL)1 (Unlimited)
- Operating Supply Voltage5.5V
- InterfaceUSB
- Data Bus Width8b
- Utilized IC / PartMCP3301, MCP6S26, PIC18F2550
- Supplied ContentsBoard(s), Cable(s)
- Evaluation KitYes
- Sensor TypeTemperature
- Core ArchitecturePIC
- EmbeddedYes, MCU, 8-Bit
- Radiation HardeningNo
- RoHS StatusROHS3 Compliant
- Lead FreeContains Lead
0 Similar Products Remaining
Technical Documents
Associated Products
| Part Number | Manufacturer | Description | Stock | RFQ |
|---|---|---|---|---|
| Microchip Technology | MICROCHIP MCP41010-I/SN IC, DIGITAL POT 10KOHM, 256, SGL, 8-SOIC | 4 | RFQ | |
| Microchip Technology | IC OPAMP GP 4 CIRCUIT 14SOIC | 5 | RFQ | |
| Microchip Technology | IC OPAMP GP 2 CIRCUIT 8SOIC | 3 | RFQ | |
| Microchip Technology | IC MCU 8BIT 32KB FLASH 28SOIC | 0 | RFQ | |
| Microchip Technology | Analog to Digital Converters - ADC 13-bit Diff In 1 Chl | 0 | RFQ | |
| Microchip Technology | IC OPAMP PGA 12MHZ RRO 14SOIC | 0 | RFQ | |
| Microchip Technology | IC REG LIN POS ADJ 100MA SOT23-5 | 5 | RFQ | |
| Microchip Technology | IC OPAMP GP 2 CIRCUIT 8SOIC | 0 | RFQ |


Product
Brand
Articles
Tools


















