MikroElektronika MIKROE-3400LED DRIVER 6 CLICK
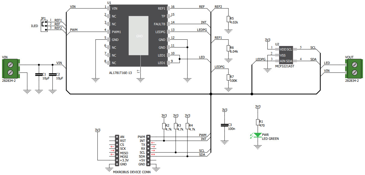
The MikroElektronika MIKROE-3400 LED Driver 6 Click Board is a powerful and versatile solution for controlling high brightness LEDs in Tunable Smart Connected Lighting (SCL) Applications, Lighting Control Systems, and Automotive Lighting. It is based on the AL1781 High Brightness LED Driver, which is capable of driving up to 6 LEDs with a maximum current of 1.2A per channel. The board features a wide range of adjustable settings, including dimming, color temperature, and brightness, allowing for precise control of the LEDs. Additionally, the board is equipped with a variety of safety features, such as over-temperature protection, over-current protection, and short-circuit protection, ensuring reliable and safe operation. The board is also compatible with a variety of communication protocols, including I2C, SPI, and UART, making it easy to integrate into existing systems.
- TypeParameter
- Part StatusActive
- Moisture Sensitivity Level (MSL)1 (Unlimited)
- TypePower Management
- FunctionLED Driver
- Utilized IC / PartAL1781
- ContentsBoard(s)
- PlatformmikroBUS™ Click™
- RoHS StatusROHS3 Compliant
| Part Number | Manufacturer | Description | Stock | RFQ |
|---|---|---|---|---|
| Microchip Technology | MOSFET P-CH 6V 1.8A SOT-143 | 640 | BUY | |
| Microchip Technology | IC COMP SNGL W/REF SC70-5 | 1 | BUY | |
| Microchip Technology | IC COMPARATOR MICROPWR 6TDFN | 1065 | RFQ | |
| Microchip Technology | IC COMPARATOR MICROPWR 6MLF | 19 | RFQ |


Product
Brand
Articles
Tools


















