MikroElektronika USBI2CCLICKClick board, converter, GPIO, I2C, USB, MCP2221, 3.3/5VDC
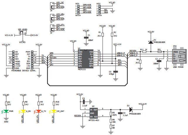
The MikroElektronika USBI2CCLICK-CCLICK Evaluation Kit is a powerful tool for connecting computers and peripherals to I2C and UART devices. It is based on the MCP2221 USB 2.0 to I2C/UART Protocol Converter, which allows for easy communication between the two devices. The kit includes a USB cable, a USB-to-I2C/UART adapter, and a USB-to-UART adapter. The USB-to-I2C/UART adapter allows for communication between the computer and the I2C/UART device, while the USB-to-UART adapter allows for communication between the computer and the UART device. The kit also includes a user manual and a software package for easy setup and configuration. With the MikroElektronika USBI2CCLICK-CCLICK Evaluation Kit, users can quickly and easily connect their computers and peripherals to I2C and UART devices.


Product
Brand
Articles
Tools








