NXP USA Inc. T4240RDB-PBNXP T4240RDB-PB REF BOARD, QORLQ T4240 24-CORE PROCESSOR
Description
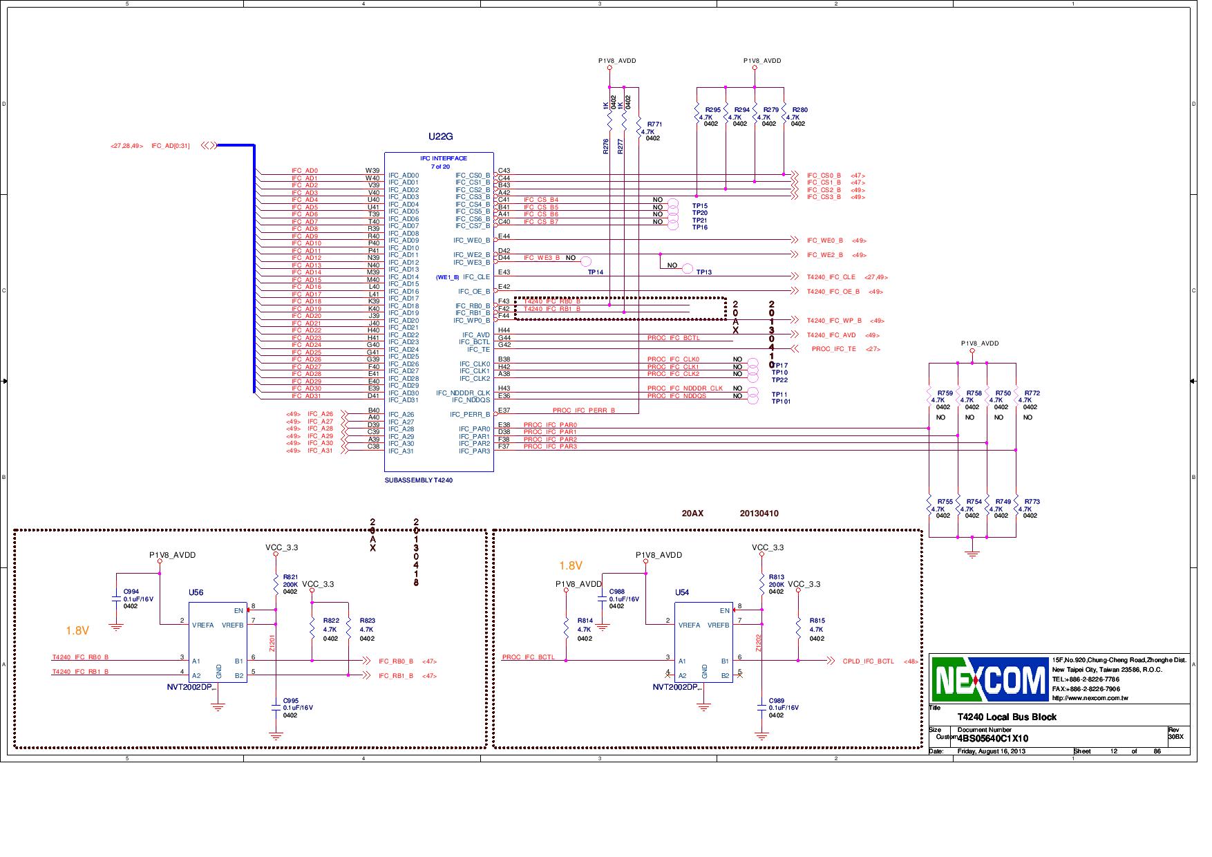
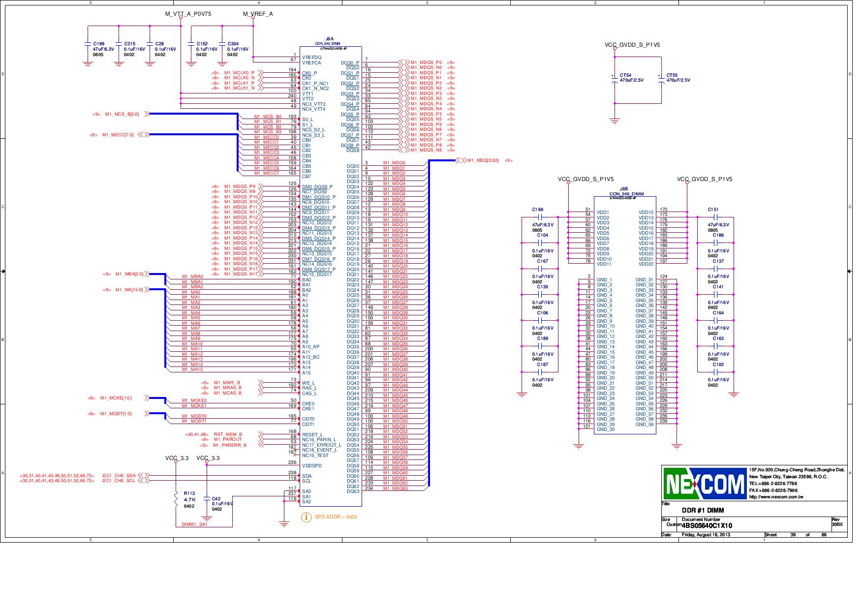
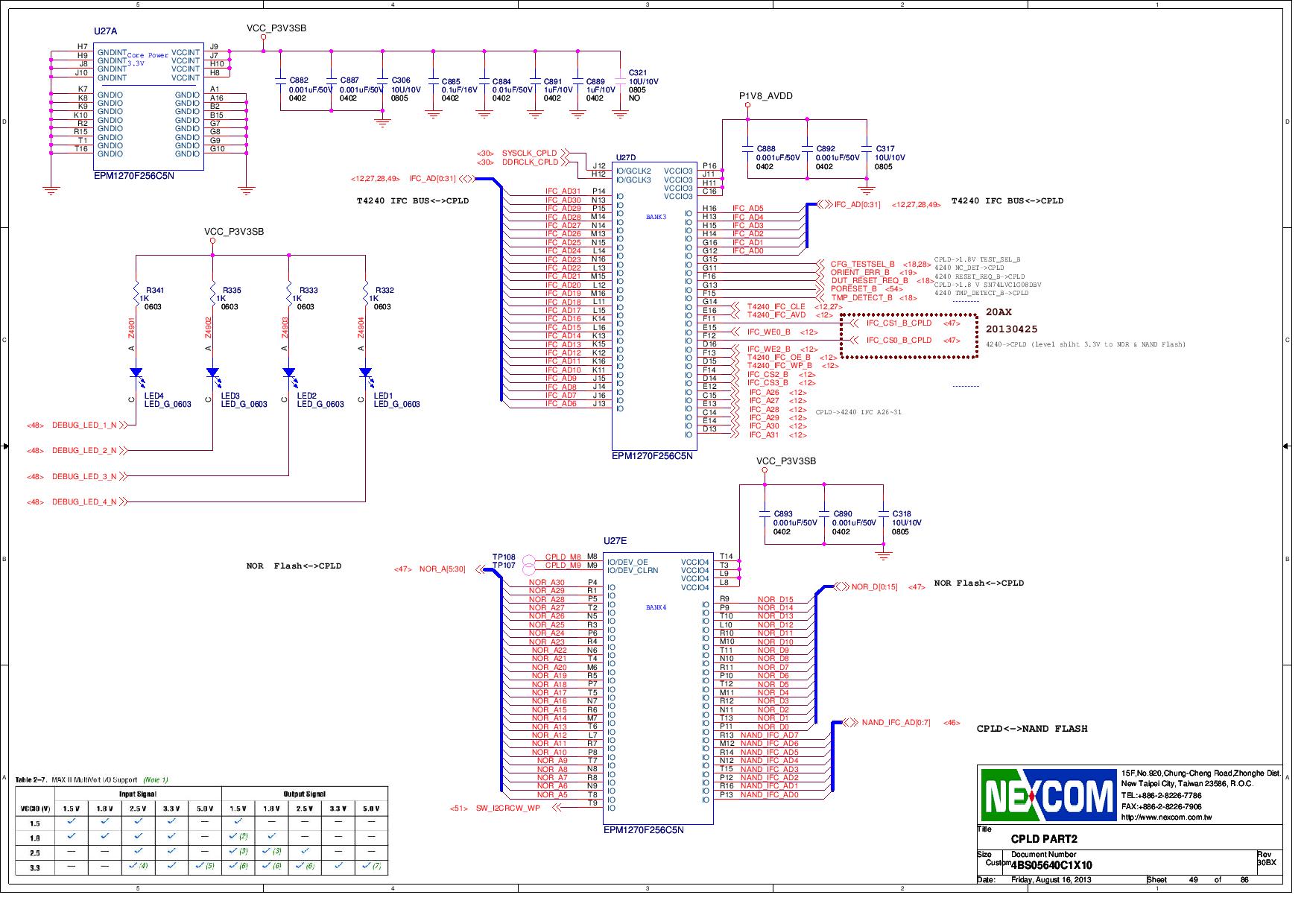
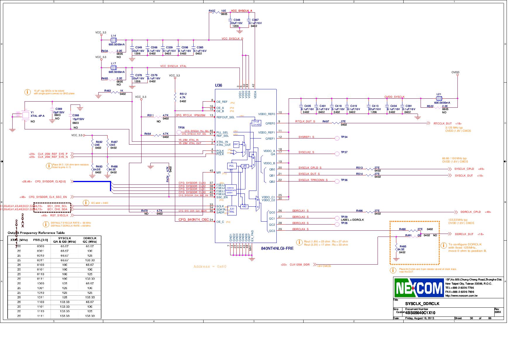
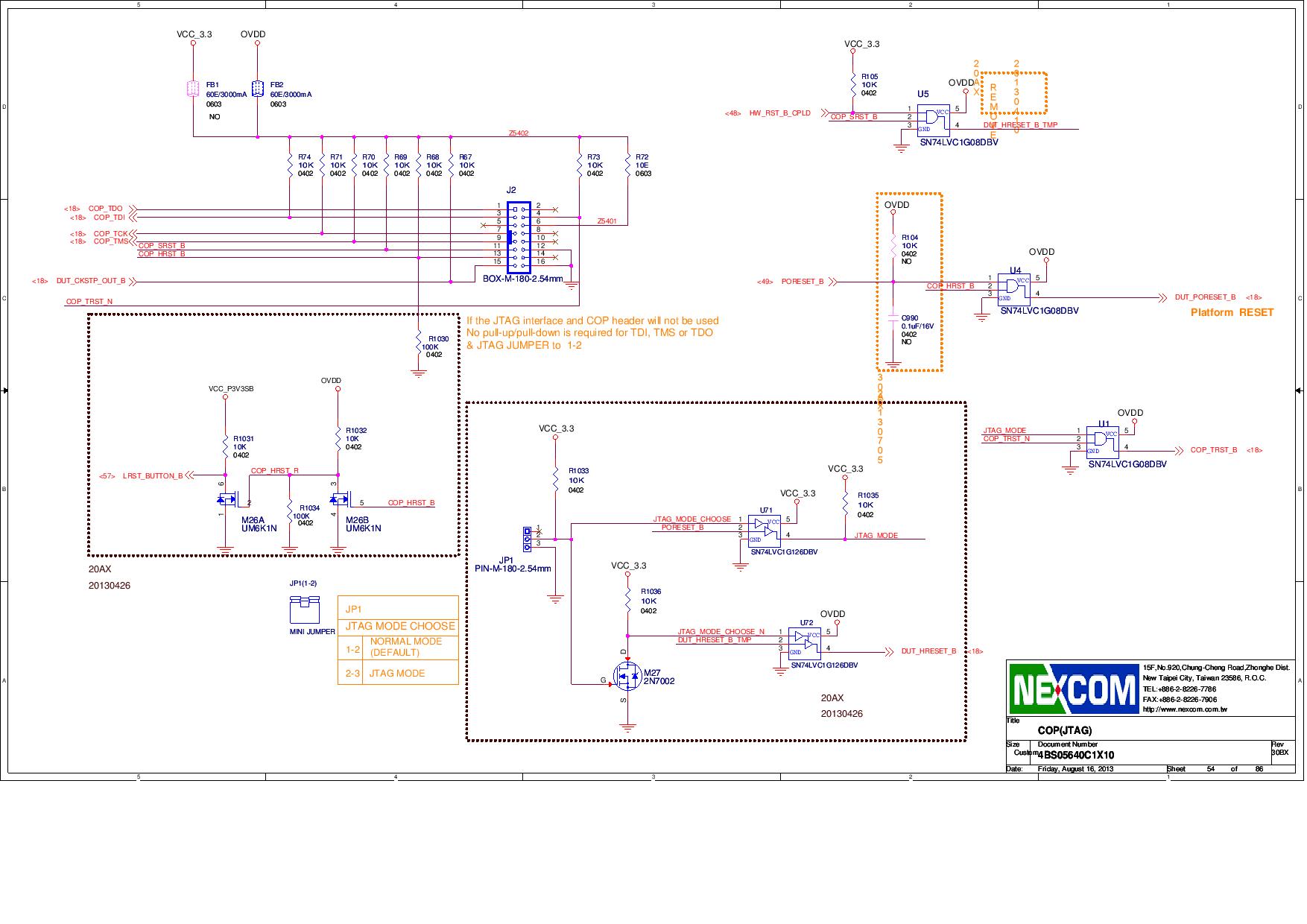
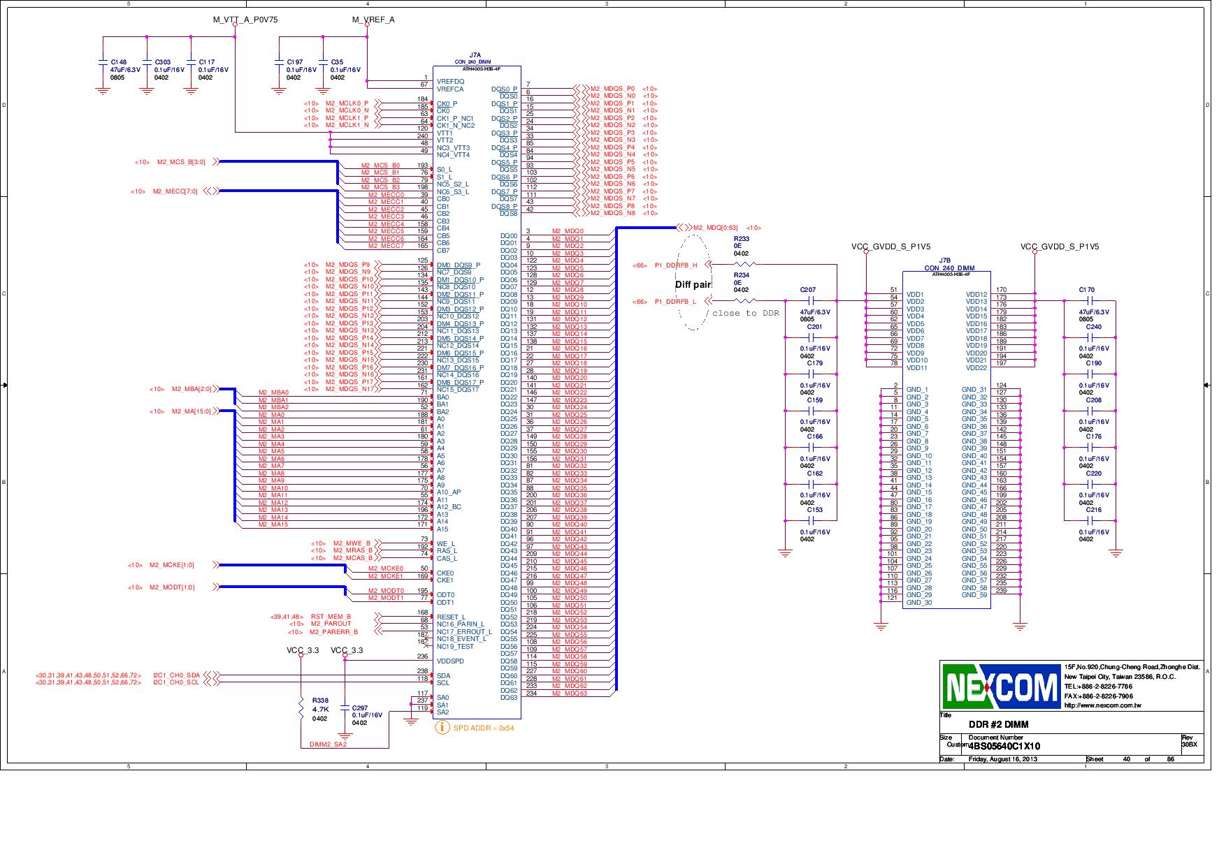
The NXP Semiconductors T4240RDB-PB QorIQ T4240 Reference Design Board is a highly integrated, compact board featuring the 24-Virtual-Core T4240 device. It is designed for communications and telecom applications, and provides a powerful platform for development and testing of applications. The board includes a variety of features such as DDR3 memory, Gigabit Ethernet, USB, SATA, PCIe, and more. It also includes a variety of software packages such as Linux, U-Boot, and OpenAMP. The board is ideal for applications such as network security, wireless infrastructure, and industrial automation.
Specifications
NXP USA Inc. technical specifications, attributes, parameters and parts with similar specifications to NXP USA Inc. .
- TypeParameter
- Factory Lead Time15 Weeks
- Mounting TypeFixed
- SeriesQorIQ®
- Published2013
- Part StatusActive
- Moisture Sensitivity Level (MSL)1 (Unlimited)
- TypeMPU
- Core Processore6500
- Utilized IC / PartT4240
- ContentsBoard(s)
- Board TypeEvaluation Platform
- RoHS StatusROHS3 Compliant
0 Similar Products Remaining
Technical Documents
Associated Products
| Part Number | Manufacturer | Description | Stock | RFQ |
|---|---|---|---|---|
| NXP USA Inc. | IC REDRIVER I2C 1CH 8TSSOP | 10000 | RFQ | |
| ON Semiconductor | ON SEMICONDUCTOR MC100LVEP14DTG CLOCK DISTRIBUTOR, D ECL/PECL/HSTL | 61 | RFQ | |
| Nuvoton Technology Corporation of America | Hardware Monitoring 56-Pin SSOP | 0 | RFQ | |
| Texas Instruments | IC REG SINK/SOURCE DDR 10SON | 43500 | RFQ | |
| NXP USA Inc. | IC TRNSLTR BIDIRECTIONAL 8TSSOP | 87 | RFQ | |
| Texas Instruments | IC TRNSLTR BIDIRECTIONAL 14TSSOP | 20000 | RFQ | |
| Microchip Technology | Standard Clock Oscillators MEMS Oscillator, High Perf, Single LVPECL Output, -40C-85C, 25ppm | 31 | BUY | |
| Microchip Technology | EEPROM Serial-2Wire 2K-bit 256 x 8 1.8V/2.5V/3.3V/5V 8-Pin SOIC T/R | 296206 | RFQ | |
| Micron Technology Inc. | IC FLASH 16GBIT 48TSOP | 55 | RFQ | |
| Micron Technology Inc. | IC FLASH 16G PARALLEL TSOP | 1 | RFQ |


Product
Brand
Articles
Tools



















































































































































































