Seeed Technology Co., Ltd 102110037WIO LINK
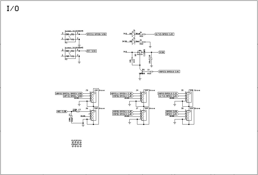
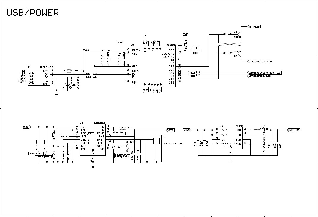
Seeed Technology Co.,Ltd is a leading provider of open-source hardware and software solutions for the Internet of Things (IoT). Founded in 2008, Seeed has grown to become one of the largest open-source hardware companies in the world. Seeed offers a wide range of products, including development boards, sensors, modules, and accessories, as well as a comprehensive suite of software tools and services. Seeed's Wio Link is an ESP8266 SoC based open-source Wi-Fi development board for IoT applications, instrumentation and measurement. It is designed to be easy to use and program, and provides a wide range of features, including a built-in Wi-Fi module, a wide range of I/O ports, and a variety of sensors. With Wio Link, users can quickly and easily create connected devices and applications. Seeed also provides a range of services, such as custom design, prototyping, and manufacturing, to help customers bring their products to market.
- TypeParameter
- Factory Lead Time13 Weeks
- SeriesWio
- Part StatusActive
- Moisture Sensitivity Level (MSL)1 (Unlimited)
- TypeTransceiver; 802.11 b/g/n (Wi-Fi, WiFi, WLAN)
- Frequency2.4GHz
- Supplied ContentsBoard(s)
- RoHS StatusRoHS Compliant
| Part Number | Manufacturer | Description | Stock | RFQ |
|---|---|---|---|---|
| Silicon Labs | USB-to-UART 1-CH 640byte FIFO 3.3V Automotive 28-Pin QFN EP T/R | 235 | RFQ | |
| Silicon Labs | SILICON LABS - CP2102N-A02-GQFN24 - Interface Bridges, USB to UART, 3 V, 3.6 V, QFN, 24 Pins, -40 °C | 3562 | RFQ | |
| Silicon Labs | IC Usb to Uart Bridge QFN28 | 0 | RFQ | |
| Silicon Labs | Full Speed USB to UART Bridge USB 2.0 3.3V Tube Automotive 28-Pin QFN EP | 0 | BUY | |
| Silicon Labs | IC Usb to Uart Bridge QFN24 | 6110 | BUY | |
| Silicon Labs | IC Usb to Uart Bridge QFN20 | 40000 | RFQ | |
| Silicon Labs | Full Speed USB to UART Bridge USB 2.0 3.3V Tube Automotive 20-Pin QFN EP | 3 | BUY |


Product
Brand
Articles
Tools





















