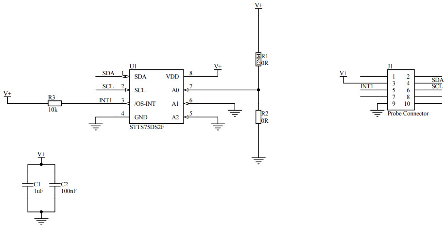
STMicroelectronics STEVAL-MKI201V1KSTTS75 EVAL BOARD
The STMicroelectronics STEVAL-MKI201V1K Temperature Probe Kit is a comprehensive solution for measuring temperature in a variety of applications. It is based on the STTS75 Digital Temperature Sensor, which is a highly accurate and reliable temperature sensor. The kit includes a temperature probe, a USB cable, and a software package for easy setup and configuration. The temperature probe is capable of measuring temperatures from -40°C to +125°C with a resolution of 0.5°C. The USB cable allows for easy connection to a computer or other peripheral device, and the software package provides a graphical user interface for easy configuration and data logging. The STEVAL-MKI201V1K Temperature Probe Kit is an ideal solution for temperature measurement in a variety of applications.
- TypeParameter
- Part StatusActive
- Moisture Sensitivity Level (MSL)1 (Unlimited)
- Utilized IC / PartSTTS75
- Supplied ContentsBoard(s)
- Sensor TypeTemperature
| Part Number | Manufacturer | Description | Stock | RFQ |
|---|---|---|---|---|
| STMicroelectronics | IC LED DRVR RGLTR DIM 30MA 20QFN | 3000 | RFQ |


Product
Brand
Articles
Tools









