2SC2229 BJT NPN Transistor: Datasheet pdf, Pinout and 2SC2229 Equivalents
TRANS NPN 50MA 150V TO226-3
2SC2229 is a BJT NPN transistor available in TO-92L or TO-92MOD package but with some manufacturers, it is also available in the TO-92 package. This article is going to explain details about the 2SC2229 transistor.

DIY 100-Watts Class A Mini Amplifier Extremely Powerful Bass | Super Simple
What is 2SC2229?
2SC2229 is a BJT NPN transistor available in TO-92L or TO-92MOD package but with some manufacturers, it is also available in the TO-92 package. It's an NPN triple diffused transistor; they are transistors that are manufactured by diffusing dopants. The transistor has several desirable characteristics, including the ability to operate at high voltage s of up to 150V, a low output capacitance, and a transition frequency of up to 120MHz.
The transistor's collector current maximum is 50mA. To drive a 50mA load, the maximum voltage required for transistor saturation at its base is merely 0.5V with only 5mA of base current. The output capacitance at the collector is 3.5pF to 5pF, with an 800 mill watt collector dissipation maximum.
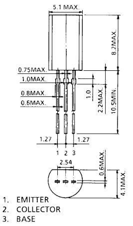
2SC2229 Pinout

2SC2229 Pinout
2SC2229 CAD Model

2SC2229 Footprint
Specifications
- TypeParameter
- Mounting Type
The "Mounting Type" in electronic components refers to the method used to attach or connect a component to a circuit board or other substrate, such as through-hole, surface-mount, or panel mount.
Through Hole - Package / Case
refers to the protective housing that encases an electronic component, providing mechanical support, electrical connections, and thermal management.
TO-226-3, TO-92-3 Long Body - Current-Collector (Ic) (Max)50mA
- Operating Temperature
The operating temperature is the range of ambient temperature within which a power supply, or any other electrical equipment, operate in. This ranges from a minimum operating temperature, to a peak or maximum operating temperature, outside which, the power supply may fail.
150°C TJ - Packaging
Semiconductor package is a carrier / shell used to contain and cover one or more semiconductor components or integrated circuits. The material of the shell can be metal, plastic, glass or ceramic.
Bulk - Published2009
- Part Status
Parts can have many statuses as they progress through the configuration, analysis, review, and approval stages.
Obsolete - Moisture Sensitivity Level (MSL)
Moisture Sensitivity Level (MSL) is a standardized rating that indicates the susceptibility of electronic components, particularly semiconductors, to moisture-induced damage during storage and the soldering process, defining the allowable exposure time to ambient conditions before they require special handling or baking to prevent failures
1 (Unlimited) - Power - Max
Power - Max is a parameter that specifies the maximum amount of power that an electronic component can handle without being damaged. It is typically measured in watts and indicates the upper limit of power that can be safely supplied to the component. Exceeding the maximum power rating can lead to overheating, malfunction, or permanent damage to the component. It is important to consider the power-max rating when designing circuits or systems to ensure proper operation and longevity of the electronic components.
800mW - Transistor Type
Transistor type refers to the classification of transistors based on their operation and construction. The two primary types are bipolar junction transistors (BJTs) and field-effect transistors (FETs). BJTs use current to control the flow of current, while FETs utilize voltage to control current flow. Each type has its own subtypes, such as NPN and PNP for BJTs, and MOSFETs and JFETs for FETs, impacting their applications and characteristics in electronic circuits.
NPN - DC Current Gain (hFE) (Min) @ Ic, Vce
The parameter "DC Current Gain (hFE) (Min) @ Ic, Vce" in electronic components refers to the minimum value of the DC current gain, denoted as hFE, under specific operating conditions of collector current (Ic) and collector-emitter voltage (Vce). The DC current gain hFE represents the ratio of the collector current to the base current in a bipolar junction transistor (BJT), indicating the amplification capability of the transistor. The minimum hFE value at a given Ic and Vce helps determine the transistor's performance and efficiency in amplifying signals within a circuit. Designers use this parameter to ensure proper transistor selection and performance in various electronic applications.
70 @ 10mA 5V - Current - Collector Cutoff (Max)
The parameter "Current - Collector Cutoff (Max)" refers to the maximum current at which a transistor or other electronic component will cease to conduct current between the collector and emitter terminals. This parameter is important in determining the maximum current that can flow through the component when it is in the cutoff state. Exceeding this maximum cutoff current can lead to malfunction or damage of the component. It is typically specified in the component's datasheet and is crucial for proper circuit design and operation.
100nA ICBO - Vce Saturation (Max) @ Ib, Ic
The parameter "Vce Saturation (Max) @ Ib, Ic" in electronic components refers to the maximum voltage drop across the collector-emitter junction when the transistor is in saturation mode. This parameter is specified at a certain base current (Ib) and collector current (Ic) levels. It indicates the minimum voltage required to keep the transistor fully conducting in saturation mode, ensuring that the transistor operates efficiently and does not enter the cutoff region. Designers use this parameter to ensure proper transistor operation and to prevent overheating or damage to the component.
500mV @ 1mA, 10mA - Voltage - Collector Emitter Breakdown (Max)
Voltage - Collector Emitter Breakdown (Max) is a parameter that specifies the maximum voltage that can be applied between the collector and emitter terminals of a transistor or other semiconductor device before it breaks down and allows excessive current to flow. This parameter is crucial for ensuring the safe and reliable operation of the component within its specified limits. Exceeding the maximum breakdown voltage can lead to permanent damage or failure of the device. Designers and engineers must carefully consider this parameter when selecting components for their circuits to prevent potential issues and ensure proper functionality.
150V - Frequency - Transition
The parameter "Frequency - Transition" in electronic components refers to the maximum frequency at which a signal transition can occur within the component. It is a crucial specification for digital circuits as it determines the speed at which data can be processed and transmitted. A higher frequency transition allows for faster operation and better performance of the electronic component. It is typically measured in hertz (Hz) or megahertz (MHz) and is specified by the manufacturer to ensure proper functioning of the component within a given frequency range.
120MHz
2SC2229 Features
Type: NPN
Collector-Emitter Voltage: 150 V
Collector-Base Voltage: 200 V
Emitter-Base Voltage: 5 V
Collector Current: 0.05 A
Collector Dissipation: 0.8 W
DC Current Gain (hfe): 70 to 240
Transition Frequency: 120 MHz
Operating and Storage Junction Temperature Range: -55 to +150 °C
Package: TO-92MOD
High breakdown voltage : VCEO = 150 V (min)
Low output capacitance: Cob = 5.0 pF (max)
High transition frequency : fT = 120 MHz (typ.)
Equivalents and Replacements for 2SC2229
2SC2310, 2SC3467, 2SC3468, 3DG2229, KSC2310, KTC1026, 2SC3228, BF422, KSC1506, KTC3206
2SC2229 Applications
Audio Amplifiers
Audio Amplifier Driver Stages
High Voltage Applications
Radio and RF Circuits
Switching loads under 50mA
Where and how to use 2SC2229
The 2SC2229 transistor can be utilized for a wide range of applications. It can be employed in high voltage applications due to its high collector to emitter voltage, It's also suitable for a wide range of audio amplification and driver circuits. It's also suitable for use in black-and-white video circuits. This transistor. with a maximum transition frequency of 120MHz, can also be used in RF circuits below 120MHz, such as AM and FM broadcast and receiving circuits.
How to run 2SC2229 circuit safely?
It is recommended that when using the 2SC2229 transistor. you do not use it to its absolute maximum ratings and instead, stay 20 percent below these maximum ratings. The transistor's maximum collector current is 50mA. so do not drive loads that draw more than 40mA. The transistor's maximum collector to emitter voltage is 150V, so the load voltage should be under 120V, and the transistor should always be used or stored at temperatures between -55 and +150 degrees Celsius.
2SC2229 Package Outline

2SC2229 Package Outline
2SC2229 Manufacturer
Toshiba Semiconductor & Storage offers a broad range of enabling technology solutions that allow OEMs, ODMs, CMs, and fabless chip companies to develop advanced integrated products for computing, networking, and communications, and digital consumer, automotive, and other markets.
Datasheet PDF
- Datasheets :
What is 2SC2229 used for?
The 2SC2229 is intended for use in general electronics applications (e.g., computers, personal equipment, office equipment, measuring equipment, industrial robots, and home electronics appliances) or for specific applications as expressly stated in this document.
The 2SC2229 is intended for use in general electronics applications (e.g., computers, personal equipment, office equipment, measuring equipment, industrial robots and home electronics appliances) or for specific applications as expressly stated in this document.
Its voltage is 200v.
Unveiling the PIC16CE62X OTP 8-bit CMOS MCU with EEPROM Data Memory: Technical Deep Dive29 February 2024308
STM32F072RBT6 Microcontroller: 48MHz, 64-LQFP, Pinout and Datasheet17 February 20221230
ULQ2003 Darlington Array: Pinout, Features and Datasheet29 November 20213022
PMEG3050EP Schottky Barrier Rectifier: 30V, 5A, Datasheet PDF22 February 2022926
The Guide to BAV70 High-speed switching double diode [FAQ]22 April 20222817
ADA4610-2 JFET Dual Op-Amp: Pinout, Equivalent and Datasheet10 December 20212384
TDA2822M Low-Voltage Power Amplifier: Datasheet, Pinout and Circuit20 October 202164061
Renesas DF2317VTF25V Microcontroller: A Technical Overview29 February 2024110
What is a Ground Fault Circuit Interrupter?27 March 20254745
What is PWM "Dead Band"?21 April 20226316
What is Flexible Sensor?30 May 20224958
What is a Server CPU?22 December 202110785
What is Mini LED?08 December 20204140
MEMS Basics: System Features and Classifications11 June 20216273
Cellular IoT Transmit Module for Enhanced Connectivity and Power Efficiency with Extended Battery Life30 January 20242125
What is an Auto Transformer and Its Working?01 April 20216741
Toshiba Semiconductor and Storage
In Stock
United States
China
Canada
Japan
Russia
Germany
United Kingdom
Singapore
Italy
Hong Kong(China)
Taiwan(China)
France
Korea
Mexico
Netherlands
Malaysia
Austria
Spain
Switzerland
Poland
Thailand
Vietnam
India
United Arab Emirates
Afghanistan
Åland Islands
Albania
Algeria
American Samoa
Andorra
Angola
Anguilla
Antigua & Barbuda
Argentina
Armenia
Aruba
Australia
Azerbaijan
Bahamas
Bahrain
Bangladesh
Barbados
Belarus
Belgium
Belize
Benin
Bermuda
Bhutan
Bolivia
Bonaire, Sint Eustatius and Saba
Bosnia & Herzegovina
Botswana
Brazil
British Indian Ocean Territory
British Virgin Islands
Brunei
Bulgaria
Burkina Faso
Burundi
Cabo Verde
Cambodia
Cameroon
Cayman Islands
Central African Republic
Chad
Chile
Christmas Island
Cocos (Keeling) Islands
Colombia
Comoros
Congo
Congo (DRC)
Cook Islands
Costa Rica
Côte d’Ivoire
Croatia
Cuba
Curaçao
Cyprus
Czechia
Denmark
Djibouti
Dominica
Dominican Republic
Ecuador
Egypt
El Salvador
Equatorial Guinea
Eritrea
Estonia
Eswatini
Ethiopia
Falkland Islands
Faroe Islands
Fiji
Finland
French Guiana
French Polynesia
Gabon
Gambia
Georgia
Ghana
Gibraltar
Greece
Greenland
Grenada
Guadeloupe
Guam
Guatemala
Guernsey
Guinea
Guinea-Bissau
Guyana
Haiti
Honduras
Hungary
Iceland
Indonesia
Iran
Iraq
Ireland
Isle of Man
Israel
Jamaica
Jersey
Jordan
Kazakhstan
Kenya
Kiribati
Kosovo
Kuwait
Kyrgyzstan
Laos
Latvia
Lebanon
Lesotho
Liberia
Libya
Liechtenstein
Lithuania
Luxembourg
Macao(China)
Madagascar
Malawi
Maldives
Mali
Malta
Marshall Islands
Martinique
Mauritania
Mauritius
Mayotte
Micronesia
Moldova
Monaco
Mongolia
Montenegro
Montserrat
Morocco
Mozambique
Myanmar
Namibia
Nauru
Nepal
New Caledonia
New Zealand
Nicaragua
Niger
Nigeria
Niue
Norfolk Island
North Korea
North Macedonia
Northern Mariana Islands
Norway
Oman
Pakistan
Palau
Palestinian Authority
Panama
Papua New Guinea
Paraguay
Peru
Philippines
Pitcairn Islands
Portugal
Puerto Rico
Qatar
Réunion
Romania
Rwanda
Samoa
San Marino
São Tomé & Príncipe
Saudi Arabia
Senegal
Serbia
Seychelles
Sierra Leone
Sint Maarten
Slovakia
Slovenia
Solomon Islands
Somalia
South Africa
South Sudan
Sri Lanka
St Helena, Ascension, Tristan da Cunha
St. Barthélemy
St. Kitts & Nevis
St. Lucia
St. Martin
St. Pierre & Miquelon
St. Vincent & Grenadines
Sudan
Suriname
Svalbard & Jan Mayen
Sweden
Syria
Tajikistan
Tanzania
Timor-Leste
Togo
Tokelau
Tonga
Trinidad & Tobago
Tunisia
Turkey
Turkmenistan
Turks & Caicos Islands
Tuvalu
U.S. Outlying Islands
U.S. Virgin Islands
Uganda
Ukraine
Uruguay
Uzbekistan
Vanuatu
Vatican City
Venezuela
Wallis & Futuna
Yemen
Zambia
Zimbabwe











