Analog Devices EVAL-ADF4108EBZ1system architecture and reducing cost. Applications Broadband wireless access Satellite systems Instrumentation Wireless LANs Base stations for wireless radio Data Sheet, Rev. A, 12/07
Description
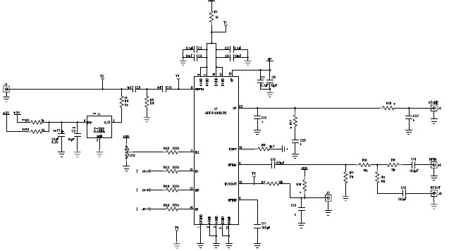
The Analog Devices EVAL-ADF4108EBZ1 is an evaluation board for the ADF4108, an 8000 MHz PLL clock generator for PoE wireless access point, instrumentation, and measurement applications. This board is designed to provide a platform for evaluating the features and performance of the ADF4108. It includes a power supply, a USB interface, and a variety of test points for easy evaluation. The board also includes a variety of features such as a low-noise clock output, a wide range of frequency synthesis, and a low-power mode. This evaluation board is ideal for applications such as wireless access points, instrumentation, and measurement.


Product
Brand
Articles
Tools








