Analog Devices Inc. AD9517-2A/PCBZANALOG DEVICES AD9517-2A/PCBZ12-OUTPUT CLOCK GENERATOR WITH 2.8GHZ VC
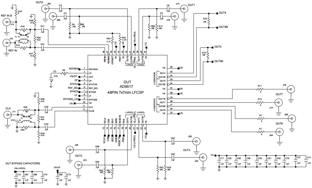
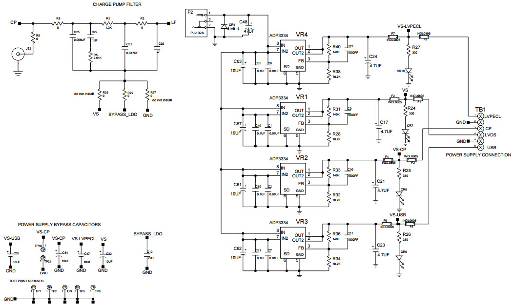
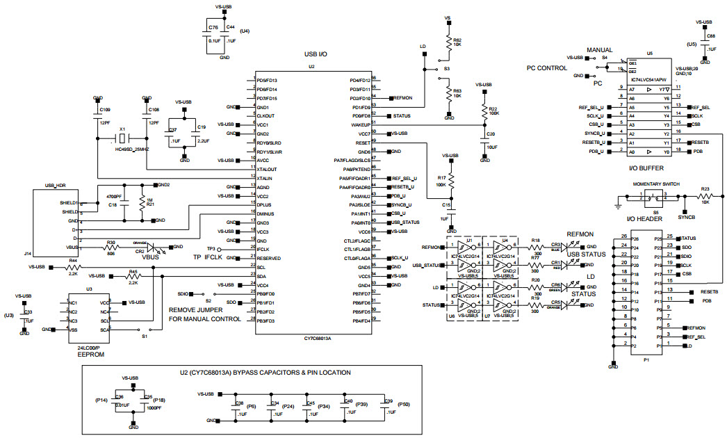
The Analog Devices AD9517-2A/PCBZ Evaluation Board is a versatile and powerful tool for evaluating the performance of the AD9517-2A 2200 MHz Very Low Noise PLL Clock Synthesizer. This board is designed to provide a complete platform for testing and evaluating the features and performance of the AD9517-2A. It includes a wide range of features such as a low-noise power supply, a high-performance clock oscillator, and a wide range of test points for monitoring and controlling the device. The board is also designed to be used in a variety of instrumentation and measurement applications, such as frequency synthesis, clock distribution, and timing and synchronization. The AD9517-2A/PCBZ Evaluation Board is an ideal tool for engineers and technicians who need to evaluate the performance of the AD9517-2A in their applications.
- TypeParameter
- Lifecycle StatusPRODUCTION (Last Updated: 3 months ago)
- Factory Lead Time8 Weeks
- Number of Pins0
- PackagingBulk
- Part StatusActive
- Moisture Sensitivity Level (MSL)1 (Unlimited)
- TypeTiming
- Frequency2.335GHz
- Base Part NumberAD9517
- FunctionClock Generator
- Operating Supply Voltage3.3V
- InterfaceSerial
- Utilized IC / PartAD9517-2A
- Supplied ContentsBoard(s)
- Evaluation KitYes
- Primary Attributes2 Inputs, 12 Outputs, 2.2GHz VCO
- EmbeddedNo
- Secondary AttributesCMOS, LVPECL and LVDS Compatible
- REACH SVHCNo SVHC
- RoHS StatusROHS3 Compliant
- Lead FreeContains Lead
| Part Number | Manufacturer | Description | Stock | RFQ |
|---|---|---|---|---|
| Microchip Technology | EEPROM SERIAL 16BYTE, SMD, PDIP8 | 0 | RFQ | |
| Texas Instruments | IC BUF NON-INVERT 3.6V 20TSSOP | 10000 | RFQ | |
| Analog Devices Inc. | Clock Generator 48-Pin LFCSP EP Tray | 0 | RFQ | |
| Analog Devices Inc. | Clock Generator 48-Pin LFCSP EP T/R | 0 | RFQ | |
| ECS Inc. | CRYSTAL 24.0000MHZ 12PF SMD | 0 | RFQ | |
| Texas Instruments | IC INVERTER SCHMITT 2CH SC70-6 | 21087 | RFQ |


Product
Brand
Articles
Tools






















