Analog Devices Inc. EV-ADF5355SD1ZADF5355 Microwave Wideband Synthesizer Evaluation Board
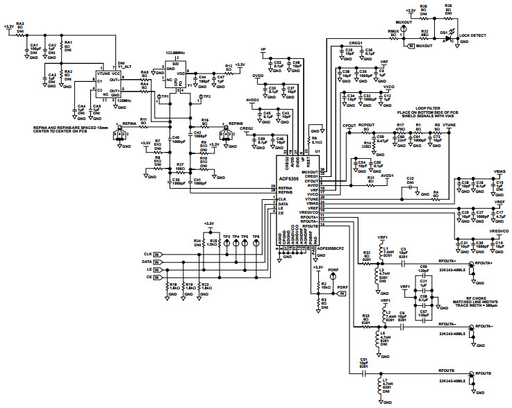
The Analog Devices EV-ADF5355SD1Z Evaluation Board is designed to evaluate the performance of the ADF5355 Frequency Synthesizer for Phase-Locked Loops, Instrumentation and Measurement. This board is a complete evaluation platform for the ADF5355, featuring a wide range of features and capabilities. It includes a USB interface for easy connection to a PC, allowing users to quickly and easily configure the ADF5355 for their application. The board also includes a variety of test points and connectors for connecting external components, such as a reference oscillator, a voltage-controlled oscillator, and a power supply. The board also includes a graphical user interface for easy configuration and monitoring of the ADF5355. The EV-ADF5355SD1Z Evaluation Board is an ideal tool for evaluating the performance of the ADF5355 Frequency Synthesizer for Phase-Locked Loops, Instrumentation and Measurement.
- TypeParameter
- Lifecycle StatusPRODUCTION (Last Updated: 3 weeks ago)
- Factory Lead Time8 Weeks
- MountCable
- Number of Pins0
- Part StatusActive
- Moisture Sensitivity Level (MSL)1 (Unlimited)
- TypeTiming
- Base Part NumberADF5355
- FunctionFrequency Synthesizer
- Utilized IC / PartADF5355
- Supplied ContentsBoard(s), Cable(s)
- Evaluation KitYes
- Primary AttributesSingle Fractional-N and Integer-N PLL with VCO
- Secondary AttributesGraphical User Interface, USB Interface
- REACH SVHCNo SVHC
- RoHS StatusROHS3 Compliant
- Lead FreeContains Lead
| Part Number | Manufacturer | Description | Stock | RFQ |
|---|---|---|---|---|
| Analog Devices, Inc. | 203 | RFQ | ||
| Analog Devices Inc. | LDO Regulator Pos 5V 0.8A 8-Pin LFCSP T/R | 0 | BUY | |
| Microchip Technology | MICROCHIP - 24LC32A-I/MS - EEPROM, 32 Kbit, 4K x 8bit, Serial I2C (2-Wire), 400 kHz, MSOP, 8 Pins | 4 | RFQ | |
| Analog Devices Inc. | IC REG LINEAR 3.3V 800MA 8LFCSP | 1236 | RFQ | |
| Analog Devices Inc. | IC REG LINEAR 5V 800MA 8LFCSP | 0 | RFQ | |
| Analog Devices Inc. | IC INTEGRATED SYNTH/VCO 32LFCSP | 2439 | RFQ | |
| Analog Devices Inc. | PLL Frequency Synthesizer Single 54MHz to 13600MHz 32-Pin LFCSP T/R | 2231 | RFQ |


Product
Brand
Articles
Tools




















